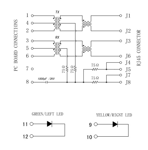
Вертикальное Рдж45 с интегрированным Маньетикс
Пин 1.РДЖ-180А03 к Пин совместимому
дублирование 2.Вертикал РДЖ45 Джека ЛПДЖД0011БЭНЛ
3.Фемале РДЖ45 Джек, металл РДЖ45 Джек
4.Аппликатион: ЭПИЦЕНТР ДЕЯТЕЛЬНОСТИ, РС карта, переключатель, маршрутизатор

Применения:
Использованный для коммуникационных оборудований сети и как ЭПИЦЕНТР ДЕЯТЕЛЬНОСТИ, РС карта, переключатель, маршрутизатор, ПК Майнбоард, СДХ, ПДХ, телефон ИП, модем ксДСЛ
Конкурентное преимущество:
16 лет опыта продукции,
штат 2600,
тест 100%
Гибкий срок поставки