Спецификации
Место происхождения :
Китай
Номер модели :
5569262-1
Количество минимального заказа :
50/500/1000/60K
Упаковывая детали :
ПОДНОС
срок поставки :
Запас
Условия оплаты :
TT, дни NET30/60/90
Способность поставки :
180K/Month
Мфг никакое :
1-5569262-1
Эквивалент :
LPJE308CNL
I/O :
2кс4 порт Рдж45 к локальным сетям
Применение :
Переключатель, маршрутизатор, ПК Mainboard, SDH, PDH etc
Монтаж :
ПКБ ТХТ
Крест Рф :
ЛПДЖЭ308КНЛ = 1-5569262-1
Архивы :
3Д лист ПДФ ШАГА ИГС
Описание
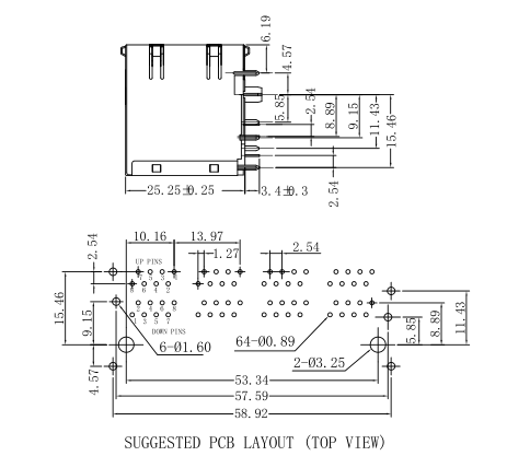
1-5569262-1 штырь Рдж45 Джека соответствующий к входу Хоризентал соединителя локальных сетей штыря
 
1.2С4 магджак штабелированное портом РДЖ45
2. Вход Хоризентал соединителя ПКБ РДЖ45 отсутствие Маньетикс
3.ХУБ, РС карта, джак переключателя РДЖ45 модульный
4.СДХ, ПДХ, джак телефона РДЖ45 ИП
1-5569262-1 штырь Рдж45 Джека соответствующий к входу Хоризентал соединителя локальных сетей штыря
Описание:
 
 порт 2С4 штабелировал РДЖ45 с/без СИД,
1. Тип продукта особенности:                                                  
  1) тип = соединитель продукта  
  2) тип Джека = РДЖ45 
  3) профиль = стандарт 
  4) ориентация установки ПКБ = вход стороны (прямоугольный)
2. Механическое приложение: 
  1) конфигурация Джека = 2 кс 4
3. Электрические характеристики: 
  1) защищенный = да
4. Особенности прекращения родственные:
  1) палец ЭМИ - дно = снаружи
  2) метод = припой прекращения
5. Особенности тела родственные:
  1) конфигурация порта = определяет/Мулти
  2) пальцы ЭМИ вершин и стороны = с снаружи
  3) ориентация защелки = стандарт - защелка вниз
  4) длина кабеля ПКБ
6. Особенности контакта родственные:
  1) поджатый = да
  2) тип прекращения контакта = через держатель отверстия/поверхности
7. Расквартировывать родственные особенности:
  1) стиль = Джек соединителя
8. Индустриальные стандарты:
  1) соответствие РоХС/ЭЛВ = РоХС уступчивое, ЭЛВ уступчивый 
  2) неэтилированный припой процессов = волны припоя способный к 240°К,
      Припой способный к 260°К, припой волны волны способный к 265°К
  3) история соответствия РоХС/ЭЛВ = всегда было РоХС уступчивым
9. Маркировка идентификации:
  1) левый цвет СИД (положение #1) = зеленый цвет - резистор 250 омов
  2) правый цвет СИД (положение #2) = зеленый цвет - резистор 250 омов
10. Условия для использования:
  1) применяется к = плата с печатным монтажом
  2) условия окружающей среды = офис/предпосылки
  3) рабочая температура (°К) = 0 до 70/-40 до +85
 
Применения И/О:
 
Использованный для коммуникационных оборудований сети и как ЭПИЦЕНТР ДЕЯТЕЛЬНОСТИ, РС карта, переключатель, маршрутизатор, ПК Майнбоард, СДХ, ПДХ, телефон ИП, модем ксДСЛ
 
Конкурентное преимущество:
 
20 лет опыта продукции,
тест 100%
Гибкий срок поставки
КИФ ко всему миру
Отправьте сообщение этому поставщику
Отправляй сейчас

1-5569262-1 штырь Рдж45 Джека соответствующий к входу Хоризентал соединителя локальных сетей штыря

Спросите последнюю цену
Место происхождения :
Китай
Номер модели :
5569262-1
Количество минимального заказа :
50/500/1000/60K
Упаковывая детали :
ПОДНОС
срок поставки :
Запас
Условия оплаты :
TT, дни NET30/60/90
Контактный поставщик
1-5569262-1 штырь Рдж45 Джека соответствующий к входу Хоризентал соединителя локальных сетей штыря

LINK-PP INT'L TECHNOLOGY CO., LIMITED

Verified Supplier
13 Годы
guangdong, huizhou
С тех пор 1997
Вид деятельности :
Manufacturer, Exporter, Seller
Общее годовое :
100,000,000-$120 million
Количество работников :
800~1000
Уровень сертификации :
Verified Supplier
Контактный поставщик
Требование о предоставлении