
Спецификации
ЕС РоХСКомплянт
Напечатайте интегрированный УСБ Маньетикс РДж-45/Дуал
Род Ф/Ф/Ф
Количество контактов 8/4/4
Количество терминалов 23
Количество портов 1/2
Припой волны метода прекращения
Угол ОриентатионРигхт тела
Минимальная рабочая температура (°К) 0
Максимальная рабочая температура (°К) 70
Длина продукта (мм) 19,36
Глубина продукта (мм) 26,01
Высота продукта (мм) 30,74
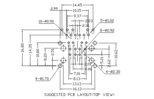
Отверстие МоунтингТхроугх
Золото контактного покрытия над никелем/золотом
Бронза светомассы контакта материальная