Быстрые детали
трансформатор Лан порта 1.Синле
2.КолиСтруктуре: Тороидал
трансформатор 3.1000басе-т
4.СМД, 16 штырей
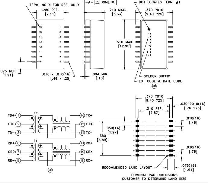
Локальные сети порта Лан 1 модулей 350уХ трансформатора 7090-37Р-ЛФ1 10/100Басе-Т
Описание:
Локальные сети порта Лан 1 модулей 350уХ трансформатора 7090-37Р-ЛФ1 10/100Басе-Т
10/100Басе-Ткс
Лан 10/100М
10/100 скоростей интернета
10/100 локальных сетей
соединитель Лан Рдж-45 локальных сетей 10/100Басе-Т
сеть 10/100Басе-Т
10/100 трансформаторов
| Применение | ЛОКАЛЬНЫЕ СЕТИ ЛАН (ПоЭ&НОН ПоЭ) |
| АутомДС | ДА |
| Комментарий | РоХС уступчивое ЛП1188НЛ |
| Конфигурация РС | Т, К |
| Конфигурация ТС | Т, К |
| Конструкция | ПРЕССФОРМА ДЛЯ ЛИТЬЕВОГО ПРЕССОВАНИЯ |
| Ядри в порт | 4 |
| Количество портов | Одиночный |
| ПКБ | ОТСУТСТВИЕ ПКБ |
| Пакет | СМТ |
| Высота пакета (дюймы) | 0,225 или другое |
| Высота пакета (мм) | 5,715 или другое |
| Длина пакета (дюймы) | 1,12 или другое |
| Длина пакета (мм) | 28,448 или другое |
| Ширина пакета (дюймы) | 0,63 или другое |
| Ширина пакета (мм) | 16,002 или другое |
| РоХС уступчивое | ИЭС-РоХС-6 |
| Скорость | 10/100/1000БАСЭ-ТС |
| Температура | 0 ДО 70/-40 до +85 |
| Коэффициент РС поворотов | 1КТ: 1КТ |
| Коэффициент ТС поворотов | 1КТ: 1КТ |
| Главное П/Н | 7090-37Р-ЛФ1 = > деталь ЛП1188НЛ массовый продуктивный |
Электротехнические условия (25):
1. Повороты Ратио50КХз, 0.5В
Сторона обломока: Линия сиде=1КТ: 1КТ+_2%
2. Индуктивность (Лс) 100КХз, 0.1В, смещение ДК 12мА:
Сторона обломока: минута 350уХ
3. Ввод Лосс1-100МХз: -1.4дБ Макс
4. Возвращенное Лосс1-30МХз: Минута -16дБ
40МХз: Минута -14.4дБ
50МХз: Минута -13.1дБ
60-80МХз: Минута -12дБ
100МХз: Минута -10дБ
5. Дифференциал к сбросу единого режима:
30МХз: Минута -45дБ
60МХз: Минута -40дБ
100МХз: Минута -35дБ
6. Кроссталк30МХз: Минута -40дБ
60МХз: Минута -35дБ
100МХз: Минута -30дБ
7. Хи-бак: минута 1500Врмс

|
СРДЖВ-01В-4-Д12-180 - РДЖ45, вертикальный держатель, защищаемое 8П8К, Через-отверстие, 10/100Мбпс Маньетикс, СИД |
|
СРДЖВ-01В-4-Д12-180 - РДЖ45, вертикальный держатель, защищаемое 8П8К, Через-отверстие, 10/100Мбпс Маньетикс, СИД |
|
СРДЖВ-01В-4-Д12-180-К - РДЖ45, вертикальный держатель, защищаемое 8П8К, Через-отверстие, 10/100Мбпс Маньетикс, СИД зеленых/желтого цвета |
|
СРДЖВ-01В-4-Д12-181 - РДЖ45, вертикальный держатель, защищаемое 8П8К, Через-отверстие, 10/100Мбпс Маньетикс, СИД |
|
СРДЖВ-01В-4-Д12-380 - РДЖ45, вертикальный держатель, защищаемое 8П8К, Через-отверстие, 10/100Мбпс Маньетикс, крест СМВ-9813-8812-С0Л1Т1-Б СИД, перекрестное СФМРС… |
|
СРДЖВ-01В-4-Д12-381 - РДЖ45, вертикальный держатель, защищаемое 8П8К, Через-отверстие, 10/100Мбпс Маньетикс, перекрестное СФМРС ЛЭДСФАТМ9-КВИГ1-2М |
|
СРДЖВ-01В-4-Д2Б-180 - РДЖ45, вертикальный держатель, защищаемое 8П8К, Через-отверстие, 10/100Мбпс Маньетикс, отсутствие креста СМВ- 9913-8812-СОЛ1Т6-Б СИД |
|
СРДЖВ-01В-4-Д2Б-181 - РДЖ45, вертикальный держатель, защищаемое 8П8К, Через-отверстие, 10/100Мбпс Маньетикс, СИД |
|
СРДЖВ-01В-4-ДЗ5-180 - РДЖ45, вертикальный держатель, защищаемое 8П8К, Через-отверстие, 10/100Мбпс Маньетикс, СИД |
|
СРДЖВ-01В-5-Д12-180-К - РДЖ45, вертикальный держатель, защищаемое 8П8К, Через-отверстие, 10/100Мбпс Маньетикс, СИД зеленых/зеленого цвета |
|
СРДЖВ-01В-5-Д12-180-К-1 - РДЖ45, вертикальный держатель, защищаемое 8П8К, Через-отверстие, 10/100Мбпс Маньетикс, СИД зеленых/зеленого цвета |
|
СРДЖВ-01В-В17-Д12-181 - РДЖ45, вертикальный держатель, защищаемое 8П8К, Через-отверстие, 10/100Мбпс Маньетикс, СИД - 50У» - Крест СМВ-САРДЖ-275АНЛ |
|
СРДЖВ-01В-С-Д2Б-180 - РДЖ45, вертикальный держатель, защищаемое 8П8К, Через-отверстие, 10/100Мбпс Маньетикс, СИД |
|
СРДЖВ-01И-5-Х22-180 - РДЖ45, вертикальный держатель, защищаемое 8П8К, Через-отверстие, 10/100Мбпс Маньетикс, СИД |
|
СРДЖВ-01И-5-Х22-183 - РДЖ45, вертикальный защищаемый держатель, Через-отверстие, Маньетикс 1Гигабит. Перекрестный Интел 82574Л |
|
СРДЖВ-11-01-8-8-С-Б1А (А) - 1Порт, 10/100Мбпс защищало вертикальный держатель |
|
СРДЖВ-11-01-8-8-С-МД12 (01) - РДЖ45, вертикальный держатель, в/ЛЭД, защищаемое 8П8К, отсутствие пружинного сервокомпенсатора, Через-отверстия, Маньетикс 10/100Мбпс |
|
СРДЖВ-11-01-8-8-С-МД33 (01) - РДЖ45, вертикальный держатель, в/ЛЭД, защищаемое 8П8К, отсутствие пружинного сервокомпенсатора, Через-отверстия, Маньетикс 10/100Мбпс |
|
СРДЖВ-5211-88-101-504-Л - РДЖ45, вертикальный держатель, защищаемое 8П8К, Через-отверстие, 10/100Мбпс Маньетикс, СИД - Крест ССРДЖВ-01В-1-Д2Б-180 |