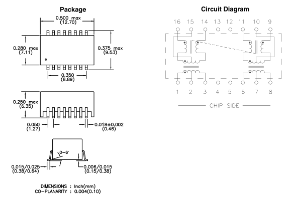
СМД определяют порт 10/100БАСЭ-ТС ПоЭ/трансформатор ПоЭ+
™ РП-УЛТРА
ИЭЭЭ802.3аф/ат уступчивое
Узнанное УЛ/ЭН60950
Испытание 100% соответствия
Хи-бак 1500Врмс
Запатентованная конструкция открытой рамки
Электротехнические условия @ 25°К
Напряжение тока изоляции: 1,500Врмс
Вносимая потеря (0.1-100МХз): 1.1дБ максимальное
КМР (0.1-100МХз): тип -38дБ
Помеха (0.1-100МХз): -38дБ
ОКЛ @100КХз, 8мА: 350μХ (над полным темп. ряд)
Возвращенная потеря
0.5-30МХз: минута -18дБ
40МХз: минута -15.5дБ
50МХз: минута -13.6дБ
| Крест венчика ТГ110-РПЭ5Н5РЛ трансформатора ИЭЭЭ802.3аф 350мА Лан ТГ110-РП55Н5РЛ | |||
|---|---|---|---|
| ТГ57-С020НСРЛ | ТГ110-РПЭ5Н5РЛ | ФД02-104Р1РЛ | ТГ110-РП55Н5РЛ |
| ТГ58-С020НСРЛ | ТГ04-ТДК2НСРЛ | ФД12-104Р1РЛ | ФС22-114И4РЛ |
| ТГ110-РПЭ5Н5РЛ | ТГ04-ТДК1Н1РЛ | ФД22-104Р1РЛ | ТД01-0506КРЛ |
| ТГ62-С020НСРЛ | ТГ110-РП55Н5РЛ | ФД02-104Г1РЛ | ТД01-0756КРЛ |
| ТГ66-С020НСРЛ | ТГ05-2004НКРЛ | ФД12-104Г1РЛ | ТД01-1006КРЛ |
| ТГ87-С020НСРЛ | ТГ04-4004НАРЛ | ФД22-104Г1РЛ | ТД01-1506КРЛ |
| ТГ88-С020НСРЛ | ТГ04-4004НКРЛ | ФД02-114ГРЛ | ЛД01-0506КЛФ |
| ТГ89-С020НСРЛ | ЛГ01-0346Н1ЛФ | ФД12-114ГРЛ | ЛГ01-1006НЛФ |
| ТД01-0756К | ТГ110-РП55Н5РЛ | ТГ110-РП55Н5РЛ | ЛД01-0756КЛФ |
| ТД01-1006К | ЛД01-0366Ф4ЛФ | ТГ110-С050П2РЛ | ЛД01-1006КЛФ |
| ТГ01-0756Н | ЛГ01-0356Н1ЛФ | ТГ110-С053П2РЛ | ЛГ01-0506НЛФ |
| ТГ01-1006Н | ТГ110-РПЭ5Н5РЛ | ТГ110-С055П2РЛ | ЛГ01-0756НЛФ |
| ТГ110-РП55Н5РЛ | ЛГ01-1006Н1ЛФ | ТГ110-С050ДЖ2РЛ | ТГ110-РПЭ5Н5РЛ |
| ТГ01-1006П | ТГ04-1006П1 | ТГ110-С055ДЖ2РЛ | ЛД01-0166Ф4ЛФ |
| ТГ110-РПЭ5Н5РЛ | ТГ04-2006П1 | ТГ110-РПЭ5Н5РЛ | ТГ42-1406П1РЛ |
минута 660-80МХз -12дБ
ЛИНК-ПП угожено для предложения РП-Ултра™, версии «ПоЭ» индустрии первого небольшого следа ноги СОИК-16. ИЭЭЭ802.3аф уступчивое с возможностью 350 мам настоящей и в коммерчески и промышленных диапазонах температур. РП-Ултра™ идеален для телефонов ВоИП, беспроводных базовых станций и большинств удаленных применений силы
