трансформатор ЛП5006АНЛ локальных сетей гигабита порта 1.Синле
Пин 2.Кросс рф Л22Т001-3 к Пин совместимому
3,1000 применение локальных сетей модулей Маньетикс основания-Т
Применение:
компьютеры 1.Ругед
собрания 2.Кабле
модули выхода 3.Дата
продукты 4.ПКИ
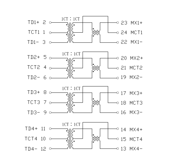
| Пин к штырю Л21Н002-0 | |||
| Серия | Трансформатор | ДОСТИГАЕМОСТЬ уступчивая: | Да |
| Количество портов: | Определите/удвойте | ЕС РоХС уступчивое: | Да |
| Изготовитель | ЛИНК-ПП | Китай РоХС уступчивое: | Да |
| Скорость: | Основание-Т 1000 | Количество функций: | 1 |
| Пакет: | СМД | Коэффициент поворотов (Нп: Нс) | 1:1; 1:1 |
| ПИН | 24 | Состояние: | Активный |
| Коэффициент поворота (±2%): | ТС=1КТ: 1КТ РС=1КТ: КТ |
| Индуктивность ОКЛ: | 350уХ МИН/@ 100КХз, 0.1В, смещение ДК 8мА |
| Вносимая потеря: | -1.0дБ МАКС @ 1-65МХз |
| Возвращенная потеря: | МИНУТА @ 1-10МХз -20дБ |
| МИНУТА @ 10-30МХз -16дБ | |
| МИНУТА @ 30-60МХз -12дБ | |
| МИНУТА @ 60-100МХз -10дБ | |
| Перекрестные помехи: | МИНУТА @ 1-30МХз -40дБ |
| МИНУТА @ 30-60МХз -35дБ | |
| МИНУТА @ 60-100МХз -30дБ | |
| Сброс единого режима: | МИНУТА @ 1-50МХз -30дБ |
| МИНУТА @ 50-150МХз -20дБ | |
| Тест Хипот: | МИНУТА 1500Врмс |
| Температурная амплитуда рабочей температуры: | 0℃ К 70℃. /-40℃ К 85℃. |
ПРИМЕЧАНИЯ:
1.Десиньед к вспомогательной программе
различные коэффициенты поворотов 2.Витх.
3.350уХ минута ОКЛ с 8мА косо.
температура Рефлов 4.Максимум 250℃, Сек 5.
спецификация 5.Мец ИЭЭЭ 802,3
аттестация 6.УЛ: Регистрационный номер Э484635
7.Комплянсе с требованиями к РОХС
8,100% испытанный (не как раз испытанная серия)
