АРДЖ11Д-МДСГ-Б-А-ЭМУ2 магнитное РДЖ45 10/100 основание-Т Джек с магнитным модулем
- 1С1 порт РДЖ45 Джек АРДЖ11Д-МДСГ-Б-А-ЭМУ2
- соединитель РДЖ45 Через-отверстия 10/100М
- Рдж45 джак сетевого порта 8п8к
- Разъем-розетка локальных сетей
- локальные сети 10/100басе-ткс
| ПРИМЕЧАНИЯ: |
 |
| 1. Конструировал к вспомогательной программе, как СОХО (АДСЛ |
| модемы), ЛАН-на-материнская плата (ЛОМ), эпицентр деятельности и переключатели. |
| 2. Спецификация ИЭЭЭ 802,3 встреч |
| 3. Материалы соединителя: |
| Расквартировывать: Термопластиковое ПБТ+30%Г.Ф УЛ94В-0 |
| Контакт: Бонце К5210Р-ЭХ Тхикнесс=0.35мм светомассы |
| Штыри: Латунь К2680Р-Х Тхикнесс=0.35мм |
| Экран: СУС 201-1/2Х Тхикнесс=0.2мм |
| Контактное покрытие: Золото 6 микродюймов минимальное. В площади контакта. |
| 4. Температура подсказки припоя волны: 265℃ Макс, 5 Сек Макс |
| 5. Аттестация УЛ: Регистрационный номер Э484635 |
 |
| Испускать цвет |
λп (нм) |
VF@IF =20мА |
Инфракрасн @ВР=5В |
| Зеленый цвет |
570 |
1.8~2.6В |
10μА максимальное |
| Желтый цвет |
585 |
1.8~2.6В |
10μА максимальное |
1. Тип продукта особенности:
1) Тип = соединитель продукта
2) тип Джека = РДЖ45
3) профиль = стандарт
4) ориентация установки ПКБ = вход стороны (прямоугольный)
2. Механическое приложение:
1) конфигурация Джека = 1 кс 1
3. Электрические характеристики:
1) защищенный = да
4. Особенности тела родственные:
1) конфигурация порта = определяет
2) запирает на задвижку ориентацию = стандарт - защелку вверх
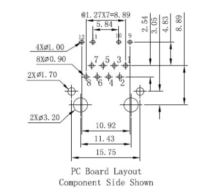
3) длина кабеля ПКБ
5. Особенности контакта родственные:
1) поджатый = да
2) тип прекращения контакта = через отверстие
6. Расквартировывать родственные особенности:
1) стиль = Джек соединителя
7. Индустриальные стандарты:
1) соответствие РоХС/ЭЛВ = РоХС уступчивое, ЭЛВ уступчивый
2) История соответствия РоХС/ЭЛВ = всегда было РоХС уступчивым
8. Маркировка идентификации:
1) левый цвет СИД (положение #1) = желтый цвет
2) правый цвет СИД (положение #2) = зеленый цвет
9. рабочая температура (°К) = 0 до 70/-40 до +85
АРДЖ11Д-МДСГ-Б-А-ЭМУ2 магнитное РДЖ45 10/100 основание-Т Джек с магнитным модулем