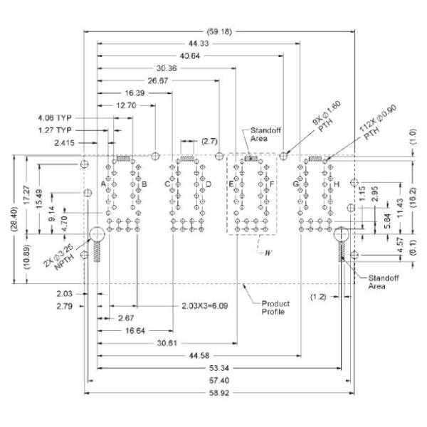
| Номер детали торговца | РМ5-131А9В1П | 
|---|---|
| Сделанный в Китае | - | 
| Изготовитель | ЛИНК-ПП Китай | 
| Описание | Мулти порты ФастДжак 2кс4 | 
| Документы доступные | ПДФ/3Д/Степ/ИГС/Присе/Кросс | 
| Цвет СИД | ЗЕЛЕНЫЙ/ЖЕЛТЫЙ ЦВЕТ, ЗЕЛЕНЫЙ | 
| Температура | 0 К +70℃ | 
| Платы ЭМИ экрана | С | 
| Защищать | Защищенный, палец ЭМИ | 

Применения:
1. конвертер оптического волокна
2. Промышленный переключатель ПоЭ
3. одноплатные компьютеры
4. Переключатели маршрутизатора облака
Почему выберите нас
Поставщик руководителя мира интегрированного соединителя РДЖ45 и дискретных магнитных трансформаторов
Качество гарантии 100%
•Изготовленный под строгими контролями.
•Испытанное 100% (не как раз испытанная серия)
•ЛИНК-ПП ОЭМ ТЭ (Тыко) на 9 лет
•Успешный клиент: Тексас Инструменц Самсунг Сиско Сименс и Интел…
•ЛИНК-ПП предпочитаемый поставщик ТИ (Тексас Инструменц)
•Качественная гарантия: 6 лет

Конкурентоспособная цена и обслуживание
•Больше конкурентоспособной цены чем венчик и Амфенол Тыко ИМПа ульс
•Срок поставки: Через 2-3 недели после заказов
•Свободные образцы доступны
•Обеспечьте новый дизайн для требований клиента
•90% с цены доставки УПС ДЭДЭС или ТНТ ДХЛ
Профессиональная аттестация
•9001:2008 ИСО
•Аттестация УЛ
•Достигаемость Сетитифактион
•Соответствие РоХС
•Активная политика по вопросам окружающей среды
Политика ЛИНК-ПП корпоративная
•Корпоративная цель достигнуть высокого уровня удолетворения потребностей клиента
Через непрерывные улучшения в качестве, доставке и обслуживании
• ЛИНК-ПП совершено к и надеется качественное представление от каждого работника
• Заводская норма продукты и услуга дефекта свободные от