Спецификации
Сила над соединителями (PoE) локальных сетей магнитными с с платы-Вверх и платы-Вниз/без плат СИД и ЭМИ
Одиночный порт, Мульти-порт и Стакабле конфигурации (Через-отверстие)
Уменьшает число компонентов, который нужно поместить на доске
Освобождает вверх космос доски и предлагает предохранение от сигнала
Уменьшение шума в системе
Улучшенная надежность и оптимальная системная производительность
Преимущества иметь более короткие пути сигнала и увеличения надежности от систем содержа меньше компонентов
Изготовители помощи достигают их цели снижения себестоимости
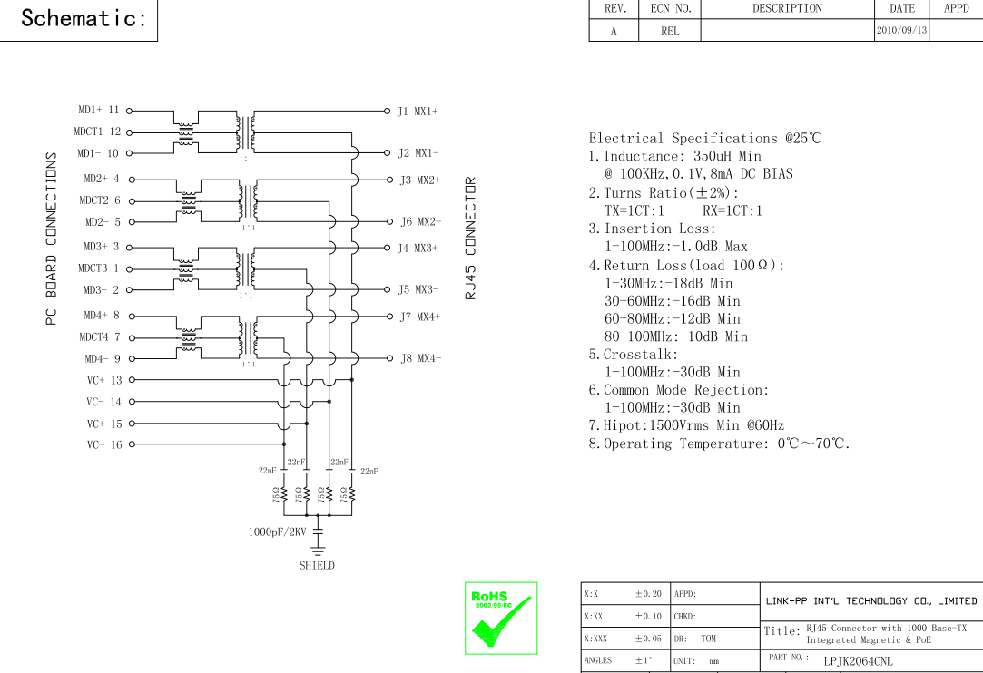
| Одиночный порт Конектор РДЖ45 Кат5 Джек с Маньетикс 1000 основания-Т интегрированными & ПоЭ, без СИД, плата вверх, РоХС | |
| Номер детали ЛИНК-ПП | ЛПДЖК2064КНЛ |
| Перекрестный номер детали |
11840425-2 |
| Применение-Лан | ЛОКАЛЬНЫЕ СЕТИ (ПоЭ) |
| АутомДС | ДА |
| Цепь Бст | ДА |
| Конфигурация РС | Т, К |
| Конфигурация ТС | Т, К |
| Плакировка зоны контакта сопрягая | »»/15у/30у» ЗОЛОТА 6у |
| Ядри в порт | 8 |
| Диоды | ОТСУТСТВИЕ ДИОДОВ |
| Вариант СИД | БЕЗ СИД |
| Защелка | ПЛАТА ВВЕРХ |
| Количество портов | 1С1 |
| ПКБ | ФР4 |
| Угол держателя ПКБ | БОРТОВОЙ ВХОД |
| ПКБ сохраняя столб | СТОЛБ Т |
| Высота пакета (дюймы) | 0,531 |
| Высота пакета (мм) | 13,50 |
| Длина пакета (дюймы) | 1,30 |
| Длина пакета (мм) | 33,02 |
| Ширина пакета (дюймы) | 0,654 |
| Ширина пакета (мм) | 16,60 |
| Тип Пин | ПРИПОЙ ТХТ |
| РоХС уступчивое | ИЭС-РоХС-5 С РУКОВОДСТВОМ В ОСВОБОЖДЕНИИ ПРИПОЯ |
| Поиск | ДА |
| Платы ЭМИ экрана | С |
| Скорость | 1000 БАСЭ-Т |
| Температура | 0 К 70℃ |
| Коэффициент РС поворотов | 1КТ: 1КТ |
| Коэффициент ТС поворотов | 1КТ: 1КТ |
| Схемы данных | Дознание электронной почты к Summer@link-PP.com |
ЛИНК-ПП РДЖ45 конструированное для черноты БеаглеБоне аппаратуры Техаса
http://www.ti.com/tool/beaglebk#0
недорогое, открытый источник, общин-поддержанная платформа развития для разработчиков процессора АРМ® Кортекс™-А8 и хоббисц.
ЛИНК-ПП ------------ Назначенные поставщик и сторонник врезанной системы для ти

|
Мы можем также сделать этими номер детали ниже
|
|
| 11840425-2 | ЛПДЖК2064КНЛ |
| СМП-П25-10Ф0-ГИ-КТ1 | СМХ-01-5-ПЛ2-111-1П0 |
| СМП-01-4-П25-111-1П0 | СМГ-01-4-П23-111-1П0 |
| СМП-П31ФАТ-10Ф0-НЛ | СМП-01-4-П25-111-1П0 |
| СМХ-Т02-041-423-012 | СПДЖГ-1-01К-5-ПН1-210 |
| СМП-9808-81011-140Д-Т3 | СПДЖГ-1-01А-4-Д51-310 |
| СМХ-9771-8812-С3Л2Т2-ЭУ | СПДЖГ-1-01А-4-Д51-110 |
| СМП-САРДЖ-1032НЛ | СПДЖГ-1-01-8А-Г31-1-ПД31 |
| СМПХ-ТРДЖК0013АХНЛ-ГЭ1 | СПДЖГ-01ДЖ-1-П31-110 |
| СМПХ-ТРДЖК2001АХНЛ | СМХ-ПД2Ф-10Х0-ГИ |
| СМПХ-061К-12Ф6-ГИ (РМП-061К-12Ф6-ГИ) | СПДЖХ-РМП-061Л-10В6-НЛ |
| СМПХ-01Д-1-Д25-110 | СМП-РМП-ЛК4П-16Ф6-НЛ |
| СМПХ-01Р-4-К23-170 | СПХ-РМП-061Л-16В6-2И |
| СМПХ-САРДЖ-8017КНЛ | СПДЖХ-РМП-061К-16В6-НЛ |
| СМПХ-СК851-901НЛ | СМГ-ТРДЖ4190ГЭНЛ |
| СМП-ТРДЖК0010АГНЛ | СМХ-ТРДЖ6100АГНЛ-СГ1 |
| СМХ-ТРДЖ16003АЗНЛ | СПДЖХ-01Д-1-Д25-110 (СМХ-01-1-ПП1-111-1П0) |
| СМХ-ТРДЖ1514АЭНЛ | СМП-01М-0-Х61-11П |
| СМП-ТРДЖ16249АЗНЛ | СМП-01Д-4-Л61-11П |
| СМПХ-ТРДЖК4013АХНЛ | СМП-01ДЖ-1-П12-К01 |
| СМП-061К-16В6-2И-М | СПДЖХ-1-01-8К-Э3М-4-ПД11 |
| СМП-01ДЖ-1-П12-Т01 | СПДЖХ-01Д-4-ПГ1-170-ДАК |
| СМП-9774-ТФ91121-006-КС1 | СПДЖХ-01Д-4-П23-170-ДАК-К |
| СМП-1104Д6014 | СПДЖХ-01Д-4-П23-170-ДАК |
| СМП-ТРДЖК1046АОНЛ | СПДЖХ-01Д-0-ПХ1-070 |
| ХРДЖ-ИЛ1Б11М2000БНЛ | СПДЖХ-01Ф-4-П25-176 |
| СПДЖХ-01Л-4-Р07-170 | СПДЖХ-01Ф-5-ПН1-170 |
| СПДЖХ-01Р-0-К22-07К-ОАС | СПДЖХ-01Р-0-ПДЖ1-07К-БРД |
| СПДЖХ-01Р-0-Р09-070 | СПДЖХ-РН6-1640Ф51Ф |
| СПДЖХ-061ЛАТ-10В6-НЛ | СМХ-ИЛ5917222С6ПЛЭ |
| СПДЖХ-01Р-0-Ф02-070 | СПДЖХ-1-26-8А-С4К-0-ПД01 |
| СПДЖХ-061КАТ-16В6-НЛ | СПДЖХ-28А-З-П01-970 |
| СПДЖХ-01Р-4-Д11-171 | СПДЖХ-28Д-0-Х65-070 |
| СПДЖХ - К. 41-4-ПЭ11 1 ДО 01 ДО 8 А. | СПДЖХ-28Д-0-Х01-01 |
| СПДЖГ-01ДЖ-4-П25-110 | СПДЖХ-2-28-8К-Т4Д-0-ПХ01 |
| СПДЖГ-01ДЖ-1-П28-110 | СМХ-ИЛ5917122С1ЛЭ |
| СПДЖГ-01ДЖ-4-ПХ2-110 | СМХ-ИЛ5917212С1ЛЭ |
| СПДЖГ-01К-5-ПН1-210 | СПДЖХ-21Д-З-П21-970-МХФ |
| СПДЖГ-01А-4-Д51-310 | СПДЖХ-1-21-8А-К30-З-ПД21 |
| СПДЖГ-01А-4-Д51-110 | СПДЖХ-ТРДЖ17002А109НЛ |
| СПДЖГ-1-01-8А-Г31-1-ПД31 | СПДЖХ-1-21-8А-К30-4-ПД22 |
| СМГ-ТРДЖ26514АЭНЛ | СМХ-9760-ДХ3Б120-286 |
| СПДЖХ-1208К1009 | СПДЖХ-24А-З-П01-970 |
| СПГ-СК02-411008ПОЭНЛ | СМХ-ИЛ5917222С4ПЛЭ |
| СПДЖГ-1-04-8А-Г34-4-ПД23 | СПДЖХ-24Д-З-П21-970-МХФ |
| СПДЖХ-04Л-8-Р08-4В0 | СМХ-9760-ДХ3Д120-286 |
| СПДЖХ-04Л-8-Р08-4В0-ДЖУ | СПДЖХ-26А-З-П01-970 |
| СПДЖХ-04Л-5-Р10-1С0 | СМХ-9760-ДХ3Г130-286 |
| СПДЖХ-04Д-1-Д34-190 | СПХ-ТРДЖ46253АЭНЛ |

| 11840425-2 соединитель ПОЭ РДЖ45 доступный ЛИНК-ПП | |
| Напечатайте держатель ПКБ | Через-отверстие (THT) |
| Количество портов | 1, 2, и 4 порта и Стакабле 2кс1, 2кс2, 2кс4, 2кс6 и 2кс8 |
| Экран и Уньшиельд | Доступный в экране и Уньшиельд |
| Тип соединителя | РДЖ45 |
| ПоЭ | Сила над интегрированными локальными сетями |
| Маньетикс | Магнитное интегрированное |
| Скорость Маньетикс | Маньетикс 10/100Мбпс и 1000Мбпс |
| Упаковка | Варианты подноса |
| Положение платы | Плата поднимающая вверх и платы варианты вниз |
| Цвет СИД | Опционный |
| Количество положений | 8 и 10 положений или другие |
| Количество контактов | 8 и 10 контактов или другие |
| РоХС уступчивое | Да |
| Температура припоя | Дегр 230 ДО 240. К 5-10 СЕКУНД |
| Вариант припоя высокотемпературный | дегр 260. К 5-10 СЕКУНД |
| Высокотемпературный вариант | -40 до +85 градусов ф |
| Рабочая температура | -0 до 70 градусов к |
11840425-2 гигабит соединителя 4ВГ45 1кс1 Маг45 (ТМ) Моделар Джека ПОЭ РДЖ45 ЭТ плата вниз ЛПДЖК2064КНЛ цепи

11840425-2 гигабит соединителя 4ВГ45 1кс1 Маг45 (ТМ) Моделар Джека ПОЭ РДЖ45 ЭТ плата вниз ЛПДЖК2064КНЛ цепи
