Спецификации
Номер модели :
203319
Место происхождения :
Китай
Количество минимального заказа :
50/500/1000/25K
Условия оплаты :
TT, дни NET30/60/90
Способность поставкы :
4200К-ПКС/Монтх
срок поставки :
Запас
Упаковывая детали :
50PCS/Tray, 1200pcs/Carton
Описание

Рука ЛПДЖ0112ГЭНЛ одноплатного компьютера 203319 РДЖ45 модульного Джека


 

 

Быстрые детали

 

  • 203319
  • РДЖ45 модульное Джек 
  • Защищенный с фильтром магнитным РДЖ45 Джеком для ворот протокола
  • Высокая эффективность для максимального подавления ЭМИ. 
  • Интерфейс ЛАН соответствующий для 100Басе-ТС для регуляторов связи 
  • Конструированный для применения и сетевого адаптера карты сетевого интерфейса
  • Первоначальные материалы РоХС и УЛ94-В0 уступчивые
  • ИСО9001, СГС, УЛ, КЭ, ДОСТИГАЕМОСТЬ 
  • Крест ЛПДЖ0112ГЭНЛ

Особенности

  • Радиосвязи с фильтром магнитным РДЖ45 Джеком 
  • Специально для доск локальных сетей

  • Одиночный порт, Мульти-порт и Стакабле конфигурации (Через-отверстие)

  • Уменьшает число компонентов, который нужно поместить на доске

  • Освобождает вверх космос доски и предлагает предохранение от сигнала

  • Уменьшение шума в системе анализатора сети локальных сетей 

  • Улучшенная надежность и оптимальная системная производительность

  • Преимущества иметь более короткие пути сигнала и увеличения надежности от систем содержа меньше компонентов

  • Изготовители помощи достигают их цели снижения себестоимости


 

Спецификации

 

 

Характеристики

 

 

203319 РДЖ45 модульное Джек в руке одноплатного компьютера через ЛПДЖ0112ГЭНЛ

2)СМД, ТХТ и ТХТ с УСБ
3)350μХ минута, ОКЛ с 8мА косо
4)Исполняет с ИЭЭЭ 802,3

5)Выдвинутый диапазон температур 0°к~70°к (или -40°к~+85°к) 

доступный

6)ПоЭ/ПоЭ+ (350мА~720мА)
Деятельность/применение         Модемы ×ДСЛ
Врезанный ПК
Применения ЛАН
Эпицентр деятельности, маршрутизатор, переключатели
АВР, ДВР
Электрические характеристики  
Защищенный с/снаружи
Особенности прекращения  
Палец ЭМИ с/снаружи
Метод прекращения

Припой

Особенности тела  
СИД с/снаружи
Пальцы ЭМИ - верхняя часть и стороны с/снаружи
Ориентация защелки Свяжите УП/Даун тесьмой
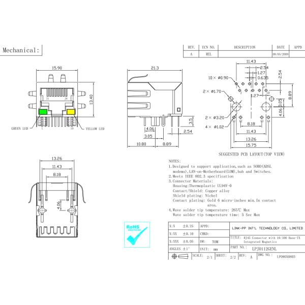
ПКБ замыкает длину 3.5±0.5мм

Высота над доской

Опционный

Особенности контакта  
Поджатый ДА
Тип прекращения контакта Через отверстие
Стиль соединителя Джек

Номер ядров

8
Индустриальные стандарты  
Неэтилированный процесс припоя Припой волны способный к 265°к
История соответствия РоХС/ельв Всегда было РоХС уступчивое
Условия для использования  
Применяет к Плата с печатным монтажом
Условия окружающей среды Офис/предпосылки
Рабочая температура (°к) 0°к~70°к/-40°к~+85°к
Другие особенности  
Магнитная цепь 3Д15
Индикатор состояния СИД
Левый цвет СИД Опционный
Правый цвет СИД Опционный
Декуплинг конденсатор с/снаружи
Задняя плата ПКБ земная с/снаружи
Количество руководства Сингал 8

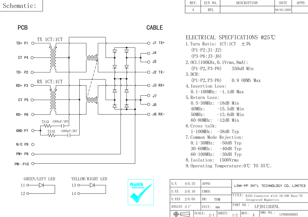
Схемы данных

Дознание электронной почты к Summer@link-PP.com

Другие называют  ЛПДЖ0112ГЭНЛ

 


 

Чернота БеаглеБоне 
 

  

ЛИНК-ПП РДЖ45 конструированное для черноты БеаглеБоне аппаратуры Техаса 

http://www.ti.com/tool/beaglebk#0 

недорогое, открытый источник, общин-поддержанная платформа развития для разработчиков процессора АРМ® Кортекс™-А8 и хоббисц.

                                               

                       ЛИНК-ПП ------------ Назначенные поставщик и сторонник врезанной системы для ти

 

 

 

 

Выбор заказа

 

203319 РДЖ45 модульное Джек в руке одноплатного компьютера через ЛПДЖ0112ГЭНЛ
Напечатайте держатель ПКБ Через-отверстие (THT)
Количество портов 1, 2, и 4 порта и Стакабле 2кс1, 2кс2, 2кс4, 2кс6 и 2кс8
Экран и Уньшиельд Доступный в экране и Уньшиельд
Тип соединителя РДЖ45
ПоЭ Сила над интегрированными локальными сетями или снаружи
Маньетикс Магнитное интегрированное
Скорость Маньетикс Маньетикс 10/100Мбпс или 1000Мбпс
Упаковка Варианты подноса
Положение платы Плата поднимающая вверх и платы варианты вниз
Цвет СИД  Опционный
Количество положений 8 и 10 положений или другие
Количество контактов 8 и 10 контактов или другие
РоХС уступчивое Да
Температура припоя Дегр 230 ДО 240. К 5-10 СЕКУНД
Вариант припоя высокотемпературный дегр 260. К 5-10 СЕКУНД
Высокотемпературный вариант -40 до +85 градусов ф
Рабочая температура -0 до 70 градусов к
 
 
203319 РДЖ45 модульное Джек в руке одноплатного компьютера через ЛПДЖ0112ГЭНЛ
 


Рукоятка LPJ0112GENL одноплатного компьютера 203319 RJ45 модульного Jack

Рукоятка LPJ0112GENL одноплатного компьютера 203319 RJ45 модульного Jack

 

 

 

Отправьте сообщение этому поставщику
Отправляй сейчас

Рукоятка LPJ0112GENL одноплатного компьютера 203319 RJ45 модульного Jack

Спросите последнюю цену
Номер модели :
203319
Место происхождения :
Китай
Количество минимального заказа :
50/500/1000/25K
Условия оплаты :
TT, дни NET30/60/90
Способность поставкы :
4200К-ПКС/Монтх
срок поставки :
Запас
Контактный поставщик
Рукоятка LPJ0112GENL одноплатного компьютера 203319 RJ45 модульного Jack

LINK-PP INT'L TECHNOLOGY CO., LIMITED

Verified Supplier
13 Годы
guangdong, huizhou
С тех пор 1997
Вид деятельности :
Manufacturer, Exporter, Seller
Общее годовое :
100,000,000-$120 million
Количество работников :
800~1000
Уровень сертификации :
Verified Supplier
Узнайте о аналогичных продуктах
Смотрите больше
Контактный поставщик
Требование о предоставлении