Быстрые детали
Исполняет с стандартами ИЭЭЭ и 10/100/1000 основаниями-Т
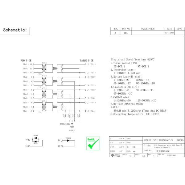
спецификации включая 350µХ с смещением ДК 8мА
Интегрированный дизайн сохраняет ценный космос доски
Пробивное напряжение минимума интервиндинг Врмс 1500
Способное к адаптации, модульное проектирование обеспечивает более высокую надежность
Уменьшенный отсчет штыря для улучшенных помехи и оптимального
Трассировка ПКБ роутингСертифид на всех главных сетях несущей, привлекательных для карт сетевого интерфейса (НИКС)
Магнитные соединители с с платы-Вверх и платы-Вниз/без плат СИД и ЭМИ
Одиночный порт, Мульти-порт и Стакабле конфигурации (Тхроугх-холе/СМТ)
Уменьшает число компонентов, который нужно поместить на доске
Освобождает вверх космос доски и предлагает предохранение от сигнала
Уменьшение шума в системе
Улучшенная надежность и оптимальная системная производительность
Преимущества иметь более короткие пути сигнала и увеличения надежности от систем содержа меньше компонентов
Изготовители помощи достигают их цели снижения себестоимости
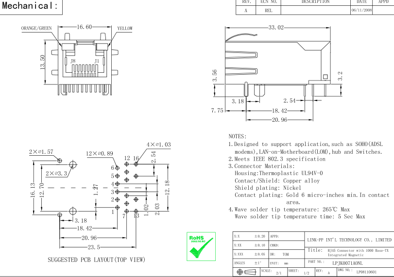
Спецификации
|
Характеристики
|
Маг Джек гигабита 12 ядра, плата вверх по 10/100/1000 основаниям-Т, АутоМДИС 0826-1кс1Т-23-Ф |
| 2)СМТ, ТХТ и ТХТ с УСБ | |
| 3)350μХ минута, ОКЛ с 8мА косо | |
| 4)Исполняет с ИЭЭЭ 802,3 | |
|
5)Выдвинутый диапазон температур 0°к~70°к (или -40°к~+85°к) доступный |
|
| 6)ПоЭ/ПоЭ+ (350мА~720мА) | |
| Деятельность/применение | Модемы ×ДСЛ |
| Врезанный ПК | |
| Применения ЛАН | |
| Эпицентр деятельности, маршрутизатор, переключатели | |
| АВР, ДВР | |
| Электрические характеристики | |
| Защищенный | с/снаружи |
| Особенности прекращения | |
| Палец ЭМИ | с/снаружи |
| Метод прекращения |
Припой |
| Особенности тела | |
| СИД | с/снаружи |
| Пальцы ЭМИ - верхняя часть и стороны | с/снаружи |
| Ориентация защелки | Свяжите УП/Даун тесьмой |
| ПКБ замыкает длину | 3.5±0.5мм |
|
Высота над доской |
Опционный |
| Особенности контакта | |
| Поджатый | ДА |
| Тип прекращения контакта | Через отверстие |
| Стиль соединителя | Джек |
|
Номер ядров |
8 |
| Индустриальные стандарты | |
| Неэтилированный процесс припоя | Припой волны способный к 265°к |
| История соответствия РоХС/ельв | Всегда было РоХС уступчивое |
| Условия для использования | |
| Применяет к | Плата с печатным монтажом |
| Условия окружающей среды | Офис/предпосылки |
| Рабочая температура (°к) | 0°к~70°к/-40°к~+85°к |
| Другие особенности | |
| Магнитная цепь | 3Д15 |
| Индикатор состояния | СИД |
| Левый цвет СИД | Опционный |
| Правый цвет СИД | Опционный |
| Декуплинг конденсатор | с/снаружи |
| Задняя плата ПКБ земная | с/снаружи |
| Количество руководства Сингал | 8 |
|
Схемы данных |
Дознание электронной почты к Summer@link-PP.com |
| Другие называют | ЛПДЖК0071А4НЛ |
ЛИНК-ПП РДЖ45 конструированное для черноты БеаглеБоне аппаратуры Техаса
http://www.ti.com/tool/beaglebk#0
недорогое, открытый источник, общин-поддержанная платформа развития для разработчиков процессора АРМ® Кортекс™-А8 и хоббисц.
ЛИНК-ПП ------------ Назначенные поставщик и сторонник врезанной системы для ти

Маг Джек гигабита 12 ядра, плата вверх по 10/100/1000 основаниям-Т, АутоМДИС 0826-1кс1Т-23-Ф
|
Мы можем также сделать этими номер детали ниже |
||||||||||||||||||||||||||||||||||||||
|
||||||||||||||||||||||||||||||||||||||

| Маг Джек гигабита 12 ядра, плата вверх по 10/100/1000 основаниям-Т, АутоМДИС 0826-1кс1Т-23-Ф | |
| Напечатайте держатель ПКБ | Через-отверстие (THT) или СМТ |
| Количество портов |
1, 2, 4,6,8 порта и Стакабле 2кс1, 2кс2, 2кс4, 2кс6 и 2кс8 |
| Экран и Уньшиельд | Доступный в экране и Уньшиельд |
| Тип соединителя | РДЖ45 |
| ПоЭ | Сила над интегрированными локальными сетями (с или без) |
| Маньетикс | Магнитное интегрированное |
| Скорость Маньетикс | Маньетикс 10/100Мбпс и 1000Мбпс |
| Упаковка | Варианты подноса |
| Положение платы | Плата поднимающая вверх и платы варианты вниз |
| Цвет СИД | Опционный |
| Количество положений | 8 и 10 положений или другие |
| Количество контактов | 8 и 10 контактов или другие |
| РоХС уступчивое | Да |
| Температура припоя | Дегр 230 ДО 240. К 5-10 СЕКУНД |
| Вариант припоя высокотемпературный | дегр 260. К 5-10 СЕКУНД |
| Высокотемпературный вариант | -40 до +85 градусов ф |
| Рабочая температура | -0 до 70 градусов к |
Маг Джек гигабита 12 ядра, плата вверх по 10/100/1000 основаниям-Т, АутоМДИС 0826-1кс1Т-23-Ф
