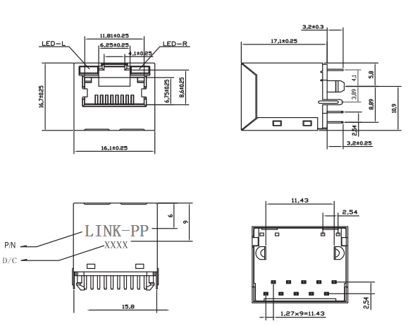
| АРВ11-3689 | Вертикальный держатель Рдж45 Джек | Верхний гигабит входа Рдж45 | Вертикальный вход Рдж45 |
АРВ11-3689 ОБЪЕДИНЕННОЕ Кросс/ПДФ/даташет/Присе/3Д/Кросс10/100 БасеТ, СИД Г/И, отсутствие пальцев ЭМИ
1. Экран минута Х. ПЛАКИРОВКИ НИКЕЛЯ К2680 ЛАТУНЬ ТОЛЩИНА 0.20мм 20у»
2. Расквартировывающ стандартный материал ПА66, стекло заполнило желтый цвет цвета полиэстера УЛ94В-0 стандартный
3. Пластмасса РДЖ терминальная: ПА66, УЛ94В-0, стандартный желтый цвет цвета.
Пин: Фос-бронза К5210 ЭХ толщины 0.35мм.
Покрывать: Никель 40у» - 60у» на все и Сн 100%, и
6у», 15у», плакировка золота 30у», 50у».
4. Терминал входного сигнала: Пластмасса ПА66, заполненное стекло, УЛ94В-0, стандартный желтый цвет цвета.
Пин: толщина К5191-Х 0.35мм
Покрывать: Никель 40у» - 60у» на все и Сн 100%.
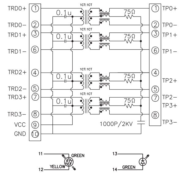
ЭЛЕКТРИЧЕСКОЕ СПЭКФИКАТИОНС: @25℃
1.Индуктансе: минута 350уХ
@ 100КХз, 0.1В, СМЕЩЕНИЕ ДК 8мА
коэффициент 2.Турнс (±2%):
ТС=1КТ: 1 РС=1КТ: 1
потеря 3.Инсертион:
1-100МХз: - 1.0дБ Макс
потеря 4.Ретурн (нагрузка 100Ω):
1-30МХз: - минута 18дБ
30-60МХз: - минута 16дБ
60-80МХз: - минута 12дБ
80-100МХз: - минута 10дБ
5.Кроссталк:
1-100МХз: - минута 30дБ
сброс режима 6.Коммон:
1-100МХз: - минута 30дБ
7.ХИ-ПОТ: 1500Врмс минута @60Хз
диапазон температур 8.Оператинг: 0℃ К 70℃/-40℃ к 85℃
| Крест КОМПОНЕНТОВ держателя РДЖ45 АРВ11-3689 одиночного порта гигабита вертикальный ОБЪЕДИНЕННЫЙ | ||
|---|---|---|
| АРВ11-3689 | АРДЖК02-111008Б | АРВ11-3689 |
| АРДЖ11А-МАСЛ-КУ2 | АРДЖК07-111071А | АРДЖ11К-МКСАТ- А-Б-ксМУ2 |
| АРДЖК07-111071А | АРВ11-3868И | АРДЖ11К-МАСАА- Б-А-ксЛУ2 |
| АРДЖ11А-МДСН-МУ2 | АРДЖК02-111006К | АРДЖ11К-МАСАБ- Б-А-ксМУ2 |
| АРДЖК07-111071А | АРВ11-3689 | АРДЖ11К-МАСАД- А-А-ксМУ2 |
| АРДЖ11Б-МАСАА-МУ2 | АРДЖК02-111006К | АРДЖК01-111002АР |
| АРДЖ11Б-МАСАИ-МУ2 | АРДЖК01-111002АР | АРДЖ11Д-МАСБ-Б-А-СМУ2 |
| АРДЖ11Б-МАСАДЖ-МУ2 | АРДЖК01-111002Т | АРДЖ11Д-МКСК-ЛУ2 |
| АРВ11-3689 | АРДЖК02-111006К | АРДЖ11Д-МДСД-А-Б-СЛТ2 |
| АРДЖ11Б-МАСАН-ЛУ2 | АРВ11-3832 | АРВ11-3689 |
| АРДЖ11Б-МАСБФ-ЛУ2 | АРДЖК01-111002АР | АРДЖ11Д-МДСЭ-А-Б-СМУ2 |
| АРВ11-3832 | АРВ11-3689 | АРДЖ11Д-МАСЭ-А-Б-СМУ2 |
| АРДЖ11Б-МАСКБ-ЛТ2 | АРДЖП11А-МАСА-Б-А-ЭМУ2 | АРДЖ11Д-МДСГ-Б-А-СМУ2 |
| АРДЖ11Б-МБСКБ-А-Б-ЭЛТ2 | АРВ11-3689 | АРДЖ11Д-МАСГ-Б-А-СМУ2 |
| АРДЖК01-111002АР | АРДЖП11А-МБСБ-А-Б-ЭМУ2 | АРДЖ11Д-МАСГ-А-А-СМУ2 |
| АРДЖ11Б-МЭСБК-А-Б-ЭМУ2 | АРДЖК02-111006Э | АРДЖК01-111002АР |
| АРДЖ11Б-МАСБК-МУ2 | АРДЖП11Б-МАСА-Б-А-ЭМУ2 | АРДЖ11Д-МДСХ-А-Б-СЛУ2 |
| АРДЖК07-111071А | АРДЖП11Б-МБСБ-А-Б-ЭМУ2 | АРДЖ11Д-МАСХ-Б-А-СЛУ2 |
| АРДЖ11Б-МФСБК-А-А-ЭМУ2 | АРДЖК07-111071А | АРДЖ11Д-МБСДЖ-А-ДА-ХЛТ2 |
| АРВ11-3689 | АРДЖП11К-МАСБ-АБ-А-ФМУ2 | АРДЖ11Д-МБСК-А-ДА-ХМУ2 |
| АРДЖ11Б-МАСБР-КУ2 | АРВ11-3832 | АРДЖ11Д-МБСЛ-А-ДА-ХЛУ2 |
Крест КОМПОНЕНТОВ держателя РДЖ45 АРВ11-3689 одиночного порта гигабита вертикальный ОБЪЕДИНЕННЫЙ


