| Низкопрофильный СМТ ЛПДЖГ19661АГНЛ | ||||||||||||||||||||||||||||||||
| Спецификация | 7498111001Р/МИК38121-5356Р-ЛФ3 | 
 | ||||||||||||||||||||||||||||||
|---|---|---|---|---|---|---|---|---|---|---|---|---|---|---|---|---|---|---|---|---|---|---|---|---|---|---|---|---|---|---|---|---|
| Мфг Пн | ЛПДЖГ19661АГНЛ | |||||||||||||||||||||||||||||||
| Изготовитель | ЛИНК-ПП Китай | |||||||||||||||||||||||||||||||
| Описание | 10/100/1000 СМД Рдж45, низкопрофильный Джек | |||||||||||||||||||||||||||||||
| Неэтилированное состояние/состояние РоХС | Неэтилированный/РоХС уступчивый | |||||||||||||||||||||||||||||||
| Количество доступное | 2 000 ПКС или 4 недели | |||||||||||||||||||||||||||||||
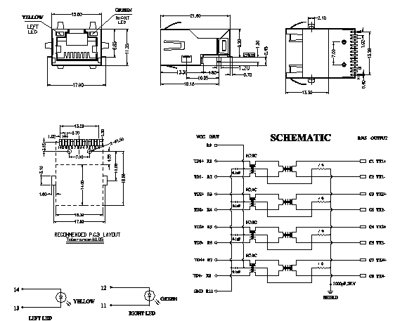
Гигабит СМТ Рдж45 Магджак низкопрофильного.
Электротехнические условия @25℃
 коэффициент 1.Турнс (± 2%):
   ТС=1КТ: 1КТ РС=1КТ: 1КТ
 2.ОКЛ: минута 350уХ 
   @100КХз, 100мВ, ток смещения 8мА
 потеря 3.Инсертион:
   1-65МХз: - 1.0дБ Макс
 потеря 4.Ретурн (минута @100Ω± 15Ω дБ):
   1-10МХз: - 20 30МХз: - 16 
   60-80МХз: - 12 
 5.Кроссталк (минута дБ):
   1-10МХз: - 40 30-60МХз: - 35
   60-100МХз: - 30
 сброс режима 6.Коммон (минута дБ):
   1-50МХз: - 30 50-130МХз: - 20
 напряжение тока 7.Исолатион: минута 1500Врмс
 температура 8.Оператинг: -40℃~+85℃
