| СТФЗ-ДХС1623КК2 | Трансформатор 1:1 | Маньетикс Лан | 10/100 трансформаторов основания-Т |
Ключевое описание:
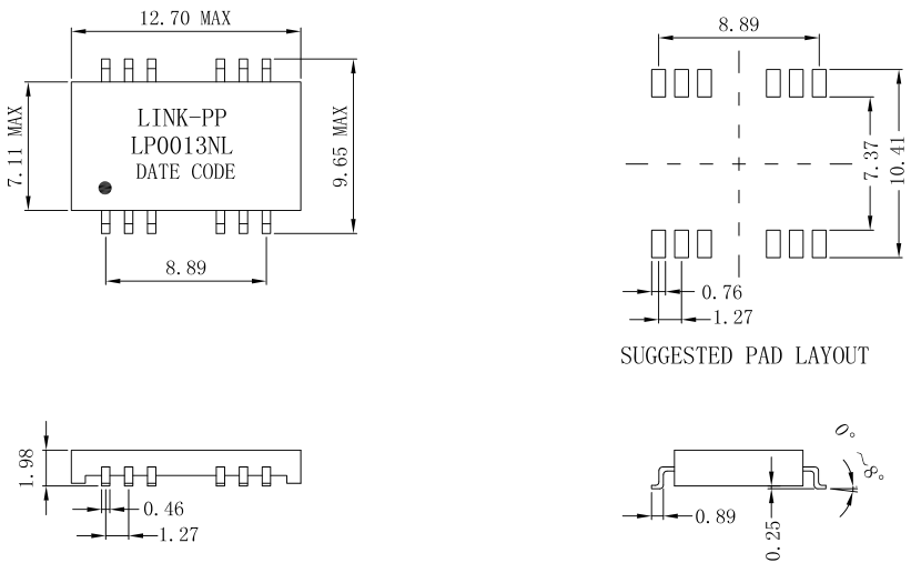
Трансформатор 10/100Мбпс, модуль одиночного порта магнитный
Трансформатор СТФЗ-ДХС1623КК2 10/100Басе-Т
модули СТФЗ-ДХС1623КК2 трансформатора 10/100Басе-Т
локальные сети 10/100Басе-Т определяют трансформатор порта
локальные сети 10/100Басе-Т определяют модуль трансформатора порта
Лан СТФЗ-ДХС1623КК2 10/100Мбпс/10/100Басе-Ткс/10/100М
10/100 скоростей интернета/10/100 локальных сетей/10/100 трансформаторов СТФЗ-ДХС1623КК2
Сеть соединитель/10/100Басе-Т Лан Рдж-45 локальных сетей ХС0009НЛ 10/100Басе-Т
Конкурентное преимущество
Дизайнер и изготовитель ☛ на 18 лет.
работы ☛ 2500, 4 завода
☛ анализатор сети двуустки пропуска определенно
Запас ☛ или 4 недели.
Дизайн ☛ гибкий согласно данным по клиентов необходимым без любого ексрал гонорара.
| Количество портов | Применения | Коэффициент поворотов | Сила над локальными сетями |
| 1 | 10/100Басе-Т | 1:1 | -- |
| Упаковка | Направление платы | Тип установки | Финиш контакта |
| Вьюрок, коробка | -- | СМТ | -- |
| Номер схемы | Защищать | Напряжение тока изоляции | Цвет СИД |
| 16 | -- | Врмс 1500 | --- |


| Модуль порта Маньетикс основания-ТС Лан 10/100 быстрого хода СТФЗ-ДХС1623КК2 одиночный | |||
|---|---|---|---|
| 1-1840257-3 | ХС0009НЛ | СТ5020 | С558-5999-АБ-Ф |
| 1-1840257-4 | 42410-6410 | ТГ01-0456НСРЛ | С558-5999-М8-Ф |
| СТФЗ-ДХС1623КК2 | ХС0009НЛ | ТГ04-0406НСРЛ | С558-5999-П3-Ф |
| 1-1840257-6 | 42410-8506 | ТГ04-ТДК1Н1РЛ | С558-5999-З5-Ф |
| 1-1840257-7 | 42878-8410 | ТГ05-2004НКРЛ | ХС0009НЛ |
| 1-1840257-8 | ХС0009НЛ | ТГ10Г-РП02НДЖЛФ | СИ-50152-Ф |
| Х0009НЛ | СТФЗ-ДХС1623КК2 | ТГ110-6506НСРЛ | СИ-52007-Ф |
| 2-1840257-1 | ХС0009НЛ | ТГ110-РПЭ17НВ6РЛ | СИ-53012 |
| 2-1840257-2 | 43223-6122 | ТГ110-С053П2РЛ | СИ-53014 |
| Х0009НЛ | СТФЗ-ДХС1623КК2 | ТГ110-С101Н6РЛ | СИ-53015 |
| 2-1840257-4 | СТФЗ-ДХС1623КК2 | ТГ111-Э112НИРЛ | СИ-53019 |
| 2-1840257-5 | 43223-8040 | ТГ111-ХПЭ3НЗРЛ | СИ-53019-Ф |
| ХС0009НЛ | СТФЗ-ДХС1623КК2 | ТГ1Г-Э012НЗРЛ | СИ-55004-Ф |