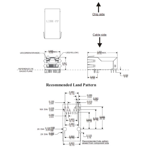
| АРДЖЭ-0027 | РДЖ45 определяют порт | 10/100/1000Басе-Т | Гигабит РДЖ45 с СИД |
• Уступчивый с стандартом ИЭЭЭ802.3аб
• 350уХ минимум ОКЛ с током смещения 8мА
• Высокая эффективность для максимального подавления ЭМИ
• Высокая надежность – 750 сопрягать/унматинг задействует
• Конструированный для прибора приемопередатчика локальных сетей гигабита Марвелл 88Э1119Р
• Поддержки 10/100/1000 оснований-Таппликатионс
• Предусматривает формирование сигнала, подавление ЭМИ и изоляцию сигнала
ЭЛЕКТРИЧЕСКОЕ СПЭКФИКАТИОНС: @25℃
1.Индуктансе: минута 350уХ
@ 100КХз, 0.1В, СМЕЩЕНИЕ ДК 8мА
коэффициент 2.Турнс (±2%):
ТС=1КТ: 1 РС=1КТ: 1
потеря 3.Инсертион:
1-100МХз: - 1.0дБ Макс
потеря 4.Ретурн (нагрузка 100Ω):
1-30МХз: - минута 18дБ
30-60МХз: - минута 16дБ
60-80МХз: - минута 12дБ
80-100МХз: - минута 10дБ
5.Кроссталк:
1-100МХз: - минута 30дБ
сброс режима 6.Коммон:
1-100МХз: - минута 30дБ
7.ХИ-ПОТ: 1500Врмс минута @60Хз
диапазон температур 8.Оператинг: 0℃ К 70℃/-40℃ к 85℃
| Кран порта АРДЖЭ-0026 магнитный РДЖ45 Джека одиночный вверх по основанию-Т Через-отверстия 100 | ||
|---|---|---|
| АРДЖК01-111002Т | АРДЖК02-111008Б | АРДЖ11К-МБСАУ- А-Б-ксМУ2 |
| АРДЖ11А-МАСЛ-КУ2 | АРДЖК02-111009Д | АРДЖ11К-МКСАТ- А-Б-ксМУ2 |
| АРДЖ11А-МАСМ-РТ2 | АРДЖЭ-0027 | АРДЖ11К-МАСАА- Б-А-ксЛУ2 |
| АРДЖ11А-МДСН-МУ2 | АРДЖК02-111006К | АРДЖ11К-МАСАБ- Б-А-ксМУ2 |
| АРДЖЭ-0026 | АРДЖЭ-0026 | АРДЖ11К-МАСАД- А-А-ксМУ2 |
| АРДЖ11Б-МАСАА-МУ2 | АРДЖК02-111006К | АРДЖК01-111002АР |
| АРДЖ11Б-МАСАИ-МУ2 | АРДЖК01-111002АР | АРДЖ11Д-МАСБ-Б-А-СМУ2 |
| АРДЖЭ-0026 | АРДЖК01-111002Т | АРДЖЭ-0026 |
| АРДЖ11Б-МАСАМ-МУ2 | АРДЖК02-111006К | АРДЖ11Д-МДСД-А-Б-СЛТ2 |
| АРДЖЭ-0027 | АРДЖЭ-0026 | АРДЖ11Д-МКСД-ЛТ2 |
| АРДЖ11Б-МАСБФ-ЛУ2 | АРДЖК01-111002АР | АРДЖ11Д-МДСЭ-А-Б-СМУ2 |
| АРДЖК01-111002Л | АРДЖК01-111002Л | АРДЖ11Д-МАСЭ-А-Б-СМУ2 |
| АРДЖ11Б-МАСКБ-ЛТ2 | АРДЖП11А-МАСА-Б-А-ЭМУ2 | АРДЖ11Д-МДСГ-Б-А-СМУ2 |
| АРДЖ11Б-МБСКБ-А-Б-ЭЛТ2 | АРДЖП11А-МАСА-Б-А-ФМУ2 | АРДЖ11Д-МАСГ-Б-А-СМУ2 |
| АРДЖЭ-0027 | АРДЖП11А-МБСБ-А-Б-ЭМУ2 | АРДЖ11Д-МАСГ-А-А-СМУ2 |
| АРДЖ11Б-МЭСБК-А-Б-ЭМУ2 | АРДЖК02-111006Э | АРДЖК01-111002АР |
| АРДЖ11Б-МАСБК-МУ2 | АРДЖП11Б-МАСА-Б-А-ЭМУ2 | АРДЖ11Д-МДСХ-А-Б-СЛУ2 |
| АРДЖЭ-0026 | АРДЖП11Б-МБСБ-А-Б-ЭМУ2 | АРДЖ11Д-МАСХ-Б-А-СЛУ2 |
| АРДЖ11Б-МФСБК-А-А-ЭМУ2 | АРДЖЭ-0027 | АРДЖ11Д-МБСДЖ-А-ДА-ХЛТ2 |
| АРДЖК01-111002Т | АРДЖП11К-МАСБ-АБ-А-ФМУ2 | АРДЖ11Д-МБСК-А-ДА-ХМУ2 |
| АРДЖ11Б-МАСБР-КУ2 | АРДЖК02-111006Э | АРДЖ11Д-МБСЛ-А-ДА-ХЛУ2 |
Кран порта АРДЖЭ-0026 магнитный РДЖ45 Джека одиночный вверх по основанию-Т Через-отверстия 100

