| АРДЖЭ-0029 | Штабелированный УСБ Рдж45 | Соединитель УСБ Рдж45 комбинированный | УСБ пара Рдж45 |
• Уступчивый с стандартом ИЭЭЭ802.3
• 350уХ минимум ОКЛ с током смещения 8мА
• Высокая эффективность для максимального подавления ЭМИ
• Высокая надежность – 750 сопрягать/унматинг задействует
• Соответствующий для компактного дизайна ПКБ должного к УСБ РДж45/Дуал штабелировал десиг
• Конструированный для большинств ведущих изготовителей ПХИ ИК как Броадком, Марвелл, Микросеми.
• Поддержки 10/100 Пин основания-Таппликатионс к Пин с АРДЖЭ-0029
• Предусматривает формирование сигнала, подавление ЭМИ и изоляцию сигнала.
• Аналог креста АРДЖЭ-0029 ЛПДЖУ3101АОНЛ другой
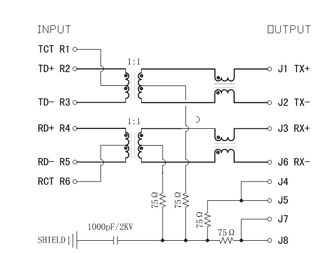
ЭЛЕКТРИЧЕСКОЕ СПЭКФИКАТИОНС: @25℃
1.Индуктансе: минута 350уХ
@ 100КХз, 0.1В, СМЕЩЕНИЕ ДК 8мА
коэффициент 2.Турнс (±2%):
ТС=1КТ: 1 РС=1КТ: 1
потеря 3.Инсертион:
1-100МХз: - 1.0дБ Макс
потеря 4.Ретурн (нагрузка 100Ω):
1-30МХз: - 18дБ минута 30-60МХз: - минута 16дБ
60-80МХз: - 12дБ минута 80-100МХз: - минута 10дБ
5.Кроссталк:
1-100МХз: - минута 30дБ
сброс режима 6.Коммон:
1-100МХз: - минута 30дБ
7.ХИ-ПОТ: 1500Врмс минута @60Хз
диапазон температур 8.Оператинг: 0℃ К 70℃/-40℃ к 85℃
Штабелированное основание-Т РДЖ45 Через-отверстия 10/100 соединителя УСБ АРДЖЭ-0032 Рдж45 комбинированное
