|
H1602PR |
Крест LP41604ANL |
10/100B |
Схема данных/цена/Specification/3D |
Особенность
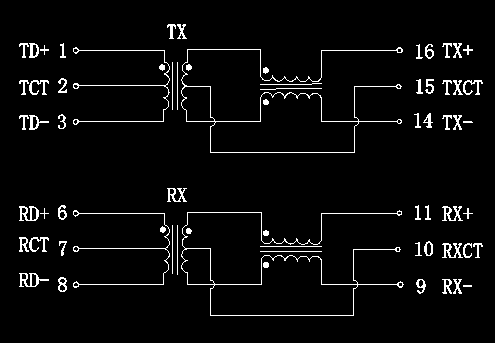
Дизайны H1602PR магнитные для того чтобы поддержать каждое PHY. LP41604ANL
Исполняют с IEEE 802,3 стандарта включая 350 uH минуту OCL со смещением 8mA.
Исполните с CD номера детали RoHS требовани-всем, никаким Hg,
Отсутствие Cr6+, отсутствие PBB и PBDE и отсутствие Pb на внешних штырях.
Электротехнические условия @ 25°C
коэффициент 1.Turn (%%P3%):
TX=1CT: 1CT RX=1CT: 1CT
2.Inductance OCL:
350uH МИНУТА @ 100KHz 0.1V
потеря 3.Insertion:
-1.1dB МАКС @ 1-100MHz
потеря 4.Return:
МИНУТА @ 1-30MHz -16dB
МИНУТА @ 30-60MHz -12dB
МИНУТА @ 60-100MHz -10dB
беседа 5.Cross:
МИНУТА @ 1-30MHz -40dB
МИНУТА @ 30-60MHz -35dB
МИНУТА @ 60-100MHz -30dB
сброс режима 6.Common:
МИНУТА @ 1-50MHz -30dB
МИНУТА @ 50-150MHz -20dB
тест 7.Hipot: 1500Vrms
диапазон температур 8.Operating: -40℃ К +85℃.
| Трансформатор LP41604ANL 10/100B PHY ИМПа ульс локальных сетей H1602PR совместимый | |||
|---|---|---|---|
| H4P041NX ЕСЛИ | C855-2B4R-54 | H4P041NX ЕСЛИ | LP41604ANL |
| HX1225FNL | H1602PR | H4P041NX ЕСЛИ | H4P041NX ЕСЛИ |
| 0826-1X4T-43-F | 0810-2H6R-28-F | 0811-2X4R-28-F | 0854-2X8R-GK-F |
| HX2326NL | 20PT1024X ЕСЛИ | H4P041NX ЕСЛИ | 0895-2X6R-GK |
| H1602PR | H4P041NX ЕСЛИ | S560-6600-GG | 12PS6121C ЕСЛИ |
| 7490101120 | TGS110-MT1NCRL | H4P041NX ЕСЛИ | S553-6500-44 |
| H1602PR | S553-6500-E2 | H1602PR | H4P041NX ЕСЛИ |
| S553-1084-11 | LP41654ANL | S560-6600-GM | S553-6500-55 |
| TGS110-MT1NCRL | S553-6500-E4 | S560-6600-GV | HN4264VG |
| LP41654ANL | H4P041NX ЕСЛИ | 12PS6121C ЕСЛИ | LP41604ANL |
ПРИМЕЧАНИЯ:
1.Designed к вспомогательной программе, как SOHO (ADSLmodems), LAN-на-материнская плата (LOM), эпицентр деятельности и Переключатели.
спецификация 2.Meets IEEE 802,3.
температура reflow 3.Maximum 260℃, 10s, 3 раза.

