|
Спецификации
|
Крест ПН
|
Изготовитель
|
Описание
|
|
749013011
|
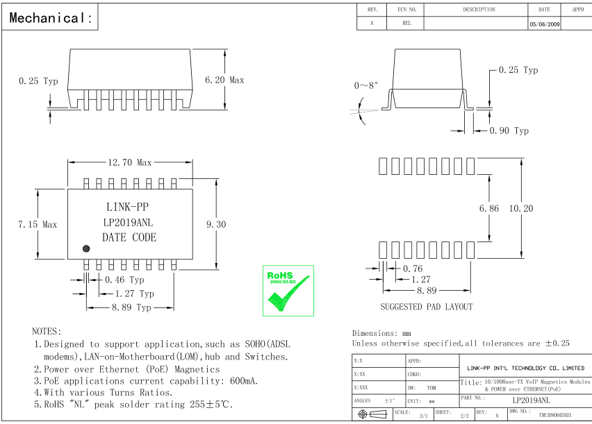
ЛП2019АНЛ
|
ЛИНК-ПП
|
1кс10/100М ПОЭ магнитное
|
|
|
|||
|
Серия
|
Тип трансформатора
|
Применения
|
Поверните радио
|
|
Трансформатор
|
Интерфейс изоляции и данных
|
10/100 оснований-Т
|
1:1
|
|
|
|||
|
Тип установки
|
Размер/размер
|
Усаженная высота - (Макс)
|
Цена единицы продукци
|
|
Поверхностный держатель
|
12.70кс9.30кс6.20мм
|
6,20
|
$0.49-0.79 для массового производства
|
|
|||

