|
Номер детали |
Крест |
Изготовитель | Описание | ||||||||||||||||||||||||||||||||||||||||||||||||||||||||||||||||
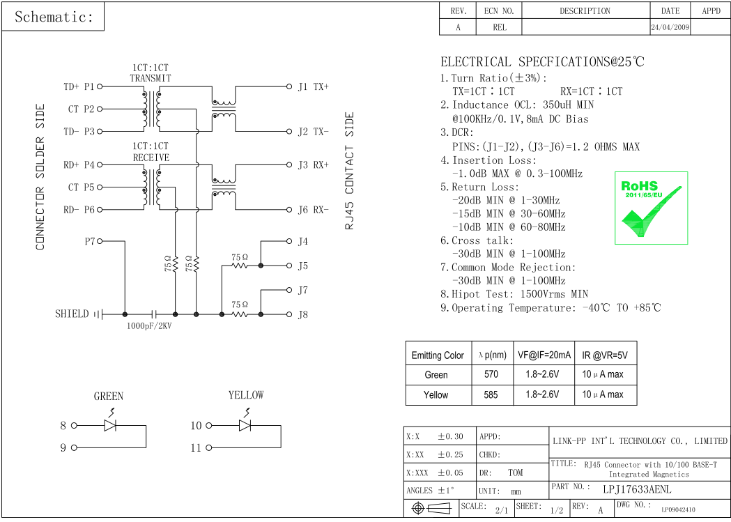
| СРДЖХ-21К-4-Д1Д-1Ф1-НО |
ЛПДЖ17633АЭНЛ |
ЛИНК-ПП |
Соединители локальных сетей креста СРДЖХ-21К-4-Д1Д-1Ф1-НО ЛПДЖ17633АЭНЛ прямоугольные |
||||||||||||||||||||||||||||||||||||||||||||||||||||||||||||||||
| Серия | Тип соединителя | Применения | Тип установки | ||||||||||||||||||||||||||||||||||||||||||||||||||||||||||||||||
| Соединители, соединения | ЛИНК-ПП женское Рдж45 |
10/100 или Мбпс 1000 |
Через-отверстие (СМТ для одиночного порта) | ||||||||||||||||||||||||||||||||||||||||||||||||||||||||||||||||
| Ориентация | Прекращение | Цвет СИД | Защищать | ||||||||||||||||||||||||||||||||||||||||||||||||||||||||||||||||
|
Угол 90° (правый) или ° 180 (вертикальное) |
Припой | Опционный | (ООН) защищенный, ЭМИ-палец (с или Ви) | ||||||||||||||||||||||||||||||||||||||||||||||||||||||||||||||||
|
|||||||||||||||||||||||||||||||||||||||||||||||||||||||||||||||||||
|
Родственная часть
|
|||||||||||||||||||||||||||||||||||||||||||||||||||||||||||||||||||

