ПРИМЕЧАНИЯ ТЕСТА (25±5℃)
1.ТР: (100КХз, 100мВ);
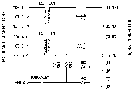
ТС=1КТ∶1КТ ±3% РС=1КТ∶1КТ
2.ЛС: (смещение 100КХз, 100мВ, 8мА, ДК)
ШТЫРИ: (П1, П3), (П4, П6) МИНУТА =350УХ
3.ХИПОТ:
ШТЫРИ (П1, П2, П3) К (Дж1, Дж2) =1500ВРМС
ШТЫРИ (П4, П5, П6) К (Дж3, Дж6) =1500ВРМС
ПОТЕРЯ 4.ИНСЭРТИОН:
-1.0дБ МАКС @ 1.0МХз К 65МХз
ПОТЕРЯ 5.РЭТУРН:
МИНУТА @ 1МХз -20дБ К 10МХз
МИНУТА @ 10МХз -16дБ К 30МХз
МИНУТА @ 30МХз -12дБ К 60МХз
МИНУТА @ 60МХз -10дБ К 100МХз
БЕСЕДА 6.КРОСС:
МИНУТА @ 1МХз -40дБ К 30МХз
МИНУТА @ 30МХз -35дБ К 60МХз
МИНУТА @ 60МХз -30дБ К 100МХз
7.КОММОН К СБРОСУ ЕДИНОГО РЕЖИМА:
МИНУТА @1МХз -30дБ К 50МХз
МИНУТА @50МХз -20дБ К 150МХз
температура 8.Оператинг: 0℃~70℃.