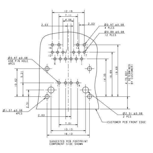
1-1840012-2 представляет собой интегрированный модуль разъемов (ICM), который сочетает в себе порт Ethernet RJ45 с портом USB Type-A в компактном, защищенном корпусе.Он предназначен для приложений 1000BASE-T (Gigabit Ethernet) и включает в себя интегрированные магнитные и светодиодные индикаторы для оптимизированной интеграции печатных плат..


| 1-1840012-2 Гигабитный RJ45 USB-коннектор 1840012-1 USB para Rj45 Складываемый Rj45 USB | |||
|---|---|---|---|
| 1-1840012-2 | 0833-2X6R-55 | 0826-1G1T-23 | 1-6605706-1 |
| 0810-2H4R-28 | 1840012-2 | 1840012-1 | 0826-1G4T-32 |
| 0811-1X1T-06 | 1-1840012-2 | 1-6610132-1 | 2-1761889-1 |
| 0826-1G4T-32 | 2-1761889-2 | 2-1761889-1 | 6-1761889-8 |
| 1761889-1 | 2-1761889-1 | 1840012-2 | 2-1761889-3 |
| 0813-1X1T-43 | 2-1761889-3 | 2-1761889-2 | 2-1761889-1 |
| 2-1761889-3 | 2-1761889-1 | 1-1840012-2 | 1-1840012-2 |
| 0826-1D4T-M1-F | 2-1761889-3 | 1840012-1 | 6-1761889-8 |
| 0816-1X1T-GJ-F | 1-1840012-2 | 0826-1X4T-23 | 0826-1C4T-23 |
| 1761889-8 | 1761889-2 | 2-1761889-2 | 1761889-2 |
| 1840012-1 | 1761889-1 | 1840012-2 | 1840012-2 |
| 1840012-2 | 2-1761889-1 | 0826-1C4T-23 | 1761889-2 |
| 2-1761889-3 | 2-1761889-2 | 1840012-1 | 0826-1X4T-23 |