| КРЕСТ 749013010 ЛИНК-ПП ЛП2019АНЛ 100% | |
| Номер детали ЛИНК-ПП | ЛП2019АНЛ |
| Номер детали ИМПа ульс | 749013010 |
| Скорость | 10/100БАСЭ-Т |
| Количество портов | ОДИНОЧНЫЙ |
| Применение - ЛАН | ЛОКАЛЬНЫЕ СЕТИ (ПоЭ) |
| Пакет | СМД |
| Температура | -40℃ К +85℃ |
| АутомДС | ДА |
| Комментарий | ТАКИЕ ЖЕ КАК ВЕРСИЯ НЛ |
| Конфигурация РС | Т, К, С |
| Конфигурация ТС | Т, К, С |
| Конструкция | ОТКРЫТАЯ РАМКА |
| Ядри в порт | 4 |
| Высота пакета (дюймы) | 0,244 |
| Высота пакета (мм) | 6,20 |
| Длина пакета (дюймы) | 0,50 |
| Длина пакета (мм) | 12,70 |
| Ширина пакета (дюймы) | 0,402 |
| Ширина пакета (мм) | 10,20 |
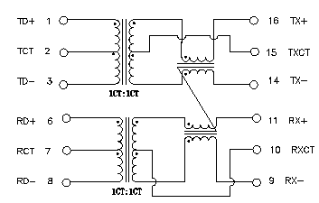
| Коэффициент РС поворотов | 1КТ: 1КТ |
| Коэффициент ТС поворотов | 1КТ: 1КТ |
Электрическая спецификация @25℃
коэффициент 1.Турнс:
ТС=1КТ: 1КТ РС=1КТ: 1КТ
потеря 2.Инсертион:
0.1-100МХз: - 1.0дБ МАКС
потеря 3.Ретурн:
0.1-30МХз: - МИНУТА 18дБ
30-60МХз: МИНУТА -13дБ
60-80МХз: - МИНУТА 12дБ
4.Кроссталк:
0.1-100МХз: - МИНУТА 35дБ
5.ДКМР:
30МХз: - МИНУТА 42дБ
60МХз: - МИНУТА 36дБ
100МХз: - МИНУТА 33дБ
6.КМРР:
1-100МХз: ТИП -40дБ
7.Л: 1-3,6-8:
350уХ МИНУТА 100КХз 0.1В 8мАДК
8.ДКР: 1-3,6-8: 0,9 ОМА МАКС
9.ЛК:
1-3 (связь: 16+14): 0.5уХ МАКС 100КХз 0.1В
6-8 (связь: 11+9): 0.5уХ МАКС 100КХз 0.1В
10.Cw/w:
(1-3), (16-14): 28пФ МАКС 100КХз 0.1В
(6-8), (11-9): 28пФ МАКС 100КХз 0.1В
напряжение тока 11.Исолатион: 1500Врмс
температура 12.Оператинг: -40℃~+85℃.
ПРИМЕЧАНИЯ:
1.Десиньед к вспомогательной программе, как СОХО (АДСЛ
модемы), ЛАН-на-материнская плата (ЛОМ), эпицентр деятельности и переключатели.
2.Повер над Маньетикс локальных сетей (ПоЭ)
возможность применений 3.ПоЭ настоящая: 350мА.
различные коэффициенты поворотов 4.Витх.
припой пика 5.РоХС «НЛ» классифицируя 255± 5℃.
