| Номер детали деталя | L22B003-0 |
| Номер детали LINK-PP | LPxxxxxx |
| Изготовитель | LINK-PP |
| Скорость | 5G BASE-T |
| Количество портов | Одиночные порты |
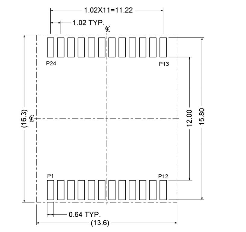
| Секретный номер | 24 PIN |
| Ядри в порт | 8 |
| POE | Не PoE |
| Тип | SMD |
| Размер | 13,51 x 15,2 x 6,09 |
| Тангаж Pin | 1,02 |
| Цепи | 3C+T |
| Рабочая температура | -40~+85℃ |
| CMC | PHY |
| Вы можете быть интересны в ниже любезных поддержках: | ||||
| Схема данных | Запрос электронной почтой к | свяжитесь мы | ||
| Образцы | Свободный | Бесплатно доставка образцов, pls советует под информацией для доставки | ||
| Название фирмы | ||||
| Адрес доставки | ||||
| Номер телефона | ||||
| Агента | ||||
| A.C UPS/DHL/Fedex/TNT | (Если доступный), то | |||
| Пробная продукция | U/P (USD) | $0.06-$3.2 | Мы можем грузить вне разделяем сразу к вашим складу/двери к двери | |
| L/T (недели) | Запас | |||
| Грузя термина | DAP/CIF/FCA/FOB | |||
| Массовое производство | U/P (USD) | Запас | ||
| L/T (недели) | Запас | |||
| Грузя термина | DAP/CIF/FCA/FOB | |||
| Lifecycel | Больше чем 20 лет | Вы можете использовать наши части для долгосрочного рассмотрения | ||
| Коэффициент брака | Нул неполноценный (испытанное 100%) | |||
| Спецслужбы | Accept подгоняло обслуживание | Accept пересматривало конструировать | ||
| Теперь вы можете связаться мы немедленно |
||||

Основание L22B003-0 5G – схема ХАРАКТЕРИСТИК магнитного фильтра t ЭЛЕКТРИЧЕСКАЯ:


СПЕЦИФИКАЦИЯ L22B003-0:
Подобный номер детали L22B003-0:
| L19T003-4 | L19T004-3 | L22A003-3 |
| L22A007-3 | L22B003-0 | L22B005-0 |
| L22B006-0 | L22H004-S | L22H005-3 |
| L22H006-2 | L22H006-4 | L22H007-0 |
| L22H008-3 | L22H010-3 | L22H017-0 |