Порт соединителя основания-T RJ45 JGCG1T1004PW-GG совместимый LINK-PP LPJK9493AWNL 10G для умных метров и спутника (POE++Single порта, платы СИД вверх, зеленое/зеленое)
|
|
| Номер детали LINK-PP | LPJK9493AWNL |
| Номер детали UDE | JGCG1T1004PW-GG |
| Применение-Lan | ЛОКАЛЬНЫЕ СЕТИ (PoE++) |
| Состояние части | Активный |
| Тип соединителя | Джек |
| Количество положений/контактов | 12p8c (RJ45, локальные сети) |
| Ядри в порт | 8 |
| Скорость | основание-T 10G |
| Вариант СИД | Зеленое /Green привело |
| Защелка | Плата вверх |
| Количество портов | порт 1X1 |
| Ориентация | Угол 90° (право) |
| Угол держателя PCB | БОРТОВОЙ ВХОД |
| PCB сохраняя столб | СТОЛБ T |
| Высота пакета (Inches/mm) | 0.531/13.50 |
| Длина пакета (Inches/mm) | 1.280/32.50 |
| Ширина пакета (Inches/mm) | 0.654/16.60 |
| Поиск | УТВЕРДИТЕЛЬНЫЙ ОТВЕТ |
| EMI экрана нашивает | С |
| Температура | -40℃ К 85℃ |
| Плакировка зоны контакта сопрягая | »»/15u/30u» ЗОЛОТА 6u |
| AutomDX | УТВЕРДИТЕЛЬНЫЙ ОТВЕТ |
| Поворачивает коэффициент RX | 1CT: 1CT |
| Поворачивает коэффициент TX | 1CT: 1CT |
LPJK9493AWNL поддерживает основание-T скорости 10G, его уступчиво к IEEE 802,3 bt, UL, достигаемости, RoHs, ISO19001, стандартам ISO14001. Его можно использовать к вспомогательной программе, как умные метры, солнечный инвертор, автоматизация и видеозаписывающее устройство.

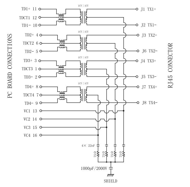
Принципиальная схема Magnetics основания-T соединителя 10G JGCG1T1004PW-GG RJ45 интегрированная:


Описание JGCG1T1004PW-GG:
Пакет соединителя JGCG1T1004PW-GG RJ45:

Применения сети соединителя:
Сеть: Маршрутизатор, сервер, переключатели, брандмауэр сети, SMPS.
Потребитель: Цифровая фотокамера, видеозаписывающее устройство, медиа-проигрыватель, регулятор игры, ТВ.
Безопасность: Сигнал тревоги, умная камера, система мониторинга, внутренная связь, система предохранителя входа.
Телекоммуникации: Телевизионная приставка, умный дом, умные метры, спутниковая, новая энергия, солнечный инвертор.
Медицинский: Хирургическое оборудование, уход за пациентом, Handheld прибор, генератор деятельности, домашний диализ, машина.
Промышленное l/O: Промышленный ПК, врезанное главное правление, управление локальных сетей, автоматизация, система Fieldbus, 1/0 регуляторов.