J1V-U2100NL поддерживает основание-T скорости 10G, его можно использовать к вспомогательной программе, как умные дом, система мониторинга, эпицентр деятельности и переключатели.
| Номер детали LINK-PP | LPJxxxxxxx |
| Номер детали ИМПа ульс | J1V-U7000NL |
| Состояние части | Активный |
| Скорость | 10G BASE-T |
| Тип соединителя | Джек |
| Количество положений/контактов | 12p8c (RJ45, локальные сети) |
| Ядри в порт | 8 |
| Вариант СИД | Yellow/GREEN&GREEN |
| Защелка | НЕ ПРИМЕНИМЫЙ |
| Количество портов | ПОРТ 1X1 |
| Угол держателя PCB | ВЕРХНИЙ ВХОД |
| EMI экрана нашивает | С |
| ОЦЕНКА POE | 4PAIR POE 60W |
| Температура | 0 К 70℃ |
| ПЛАКИРОВКА ЗОНЫ КОНТАКТА СОПРЯГАЯ | ЗОЛОТО 30 U» |
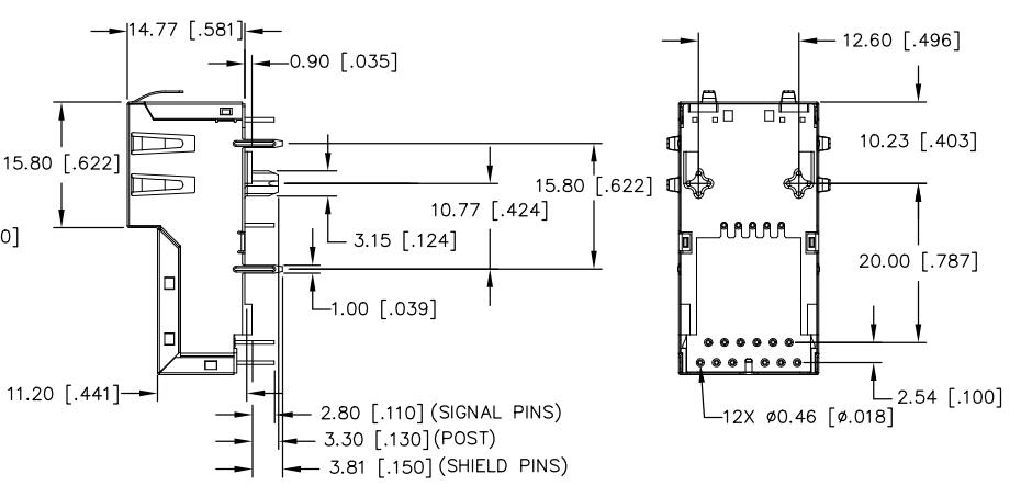
| ВЫСОТА MM ПАКЕТА | 14,77 |
| ДЛИНА MM ПАКЕТА | 34,29 |
| ШИРИНА MM ПАКЕТА | 17,60 |
| Вы можете быть интересны в ниже любезных поддержках: | ||||
| Схема данных | Запрос электронной почтой к | свяжитесь мы | ||
| Образцы | Свободный | Бесплатно доставка образцов, pls советует под информацией для доставки | ||
| Название фирмы | ||||
| Адрес доставки | ||||
| Номер телефона | ||||
| Агента | ||||
| A.C UPS/DHL/Fedex/TNT | (Если доступный), то | |||
| Пробная продукция | U/P (USD) | $0.09-$1.85 | Мы можем грузить вне разделяем сразу к вашим складу/двери к двери | |
| L/T (недели) | Запас | |||
| Грузя термина | DAP/CIF/FCA/FOB | |||
| Массовое производство | U/P (USD) | Запас | ||
| L/T (недели) | Запас | |||
| Грузя термина | DAP/CIF/FCA/FOB | |||
| Lifecycel | Больше чем 20 лет | Вы можете использовать наши части для долгосрочного рассмотрения | ||
| Коэффициент брака | Нул неполноценный (испытанное 100%) | |||
| Спецслужбы | Accept подгоняло обслуживание | Accept пересматривало конструировать | ||
| Теперь вы можете связаться мы немедленно |
||||
Спецификация ВЕРТИКАЛЬНОГО соединителя RJ45 ВХОДА ВЕРХНЕЙ ЧАСТИ J1V-U7000NL механическая:

Электрическая схема соединителя локальных сетей RJ45 J1V-U7000NL 10GBASE-T ВЕРТИКАЛЬНАЯ:

Электротехнические условия J1V-U7000NL:

Описание соединителя локальных сетей J1V-U7000NL RJ45:
Соединителя локальных сетей RJ45 J1V-U7000NL номер детали ВЕРТИКАЛЬНОГО подобный:
| J1V-U7000NL | JKM-0200NL | JK0-0229NL |
| JK0-8001NL | J0B-0364NL | E5J88-41AHS4-LT |