LPJF46204CNL поддерживает скорость 10/100 Base-T. Он соответствует стандарту IEEE 802.3, UL, Reach, RoHs, ISO19001 и ISO14001 стандарты. Он может поддерживать такие приложения, как проигрыватели жестких дисков, шлюзы Интернета вещей, DVD и веб-камеры.
| Номер части LINK-PP | LPJF46204CNL |
| Номер части импульса | J8064E64NL |
| Применение LAN | ETHERNET ((NON PoE) |
| Статус части | Активный |
| Тип соединителя | Джек. |
| Количество позиций/контактов | 8p8c (RJ45, Ethernet) |
| Ядра по порту | 4 |
| Скорость | 10/100 База-Т |
| Опция светодиодов | Без светодиодов |
| Застежка | Вкладка вниз |
| Количество портов | 1X4 Порт |
| Ориентация | Угол 90° (справа) |
| Угол монтажа ПКБ | Боковой вход |
| Удерживающий столб для ПКБ | T POST |
| Высота упаковки (дюйма/мм) | 0.533/13.55 |
| Длина упаковки (дюйма/мм) | 0.839/21.30 |
| Ширина упаковки (дюйма/мм) | 2.328/59.12 |
| Поиск | Да, да. |
| Таблицы EMI щита | С |
| Температура | от 0°C до 70°C |
| Оплавка зоны контактного спаривания | ЗОЛОТО 6"/15"/30" |
| AutomDX | Да, да. |
| Поворачивает соотношение RX | 1CT:1CT |
| Поворачивает соотношение TX | 1CT:1CT |

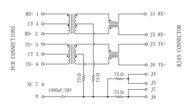
J8064E64NL без светодиода 1x4 порт Ethernet RJ45 Джек соединитель схема:

1. Отношение (士2%):
TX=1CT:1CT
RX=1CT:1CT
2.0CL: 350uH Min
@100KHz, 0.1V, 8mA постоянный диапазон
3Потеря вставки:
1 ~ 100 МГц: Максимально 1,0 дБ
4. Потеря возврата ((dB Min)):
1 ~ 30 МГц:-16
30 ~ 60 МГц: 12
60~80 МГц:-10
5- Прохождение звука (dB Min):
1 ~ 30 МГц: -40
30 ~ 60 МГц:-35
60~ 100 МГц:-30
6. CMR (dB Min)
1 ~ 50 МГц: -40
50 ~ 150 МГц:-30
7- Гипотоп: 1500 Вт.
8- Операционная температура: 0°C~70°C.

J8064E64NL Описание: