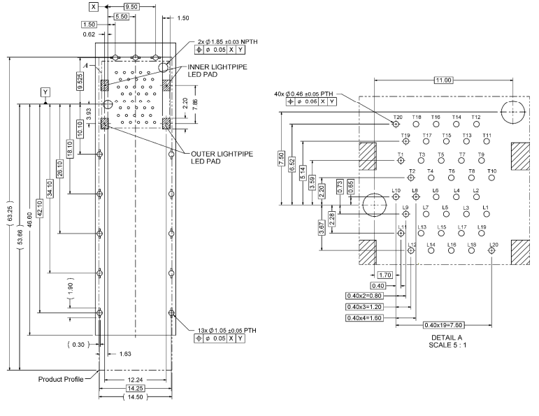
SAA0-ZZ-0001 2X1 SFP Cage Assembly предназначен для удовлетворения требований к электрическим, механическим и экологическим характеристикам для приложений GIGA.Имеет конструкцию пресс-фита с наружным и внутренним 4 LightPipes, эта клетка SFP обеспечивает надежную производительность в различных условиях с рабочим температурным диапазоном от -40 до 85 °C. Контактная покрытие минимум 15μ "Золото гарантирует отличную проводимость.С компактными габаритами 63.5 мм в длину, 15.38 мм в ширину, и 25.5 мм в высоту.
|
Номер части |
2149157-1 |
|---|---|
|
Серия |
СФП |
|
Количество портов |
2x1 порты |
|
Тип |
Пресс-фит |
|
Включает Lightpipe |
Да, да. |
| EMI Fingles | С |
| Тепловая раковина | Без |
|
Ориентация тела |
Прямой угол |
| Рекомендуемая МИнимумТолщина ПКБ | 1.57 мм |
|
Диапазон рабочей температуры |
-40 ∼ 85 °C |
| Контактный текущий рейтинг | 0.5А (на контакт) |
|
Сопротивление изоляции |
100 МΩ в минуту. |
| Диэлектрическое стойкое напряжение | 300VDC @ 1 мин. |
| Сила вставки | 40N MAX. |
| Сила извлечения | 12.5Н Макс. |
|
Прочность |
100 циклов минимум. |
|
Удержание клетки (прочность замка) |
90N Min |

Примечания:
1Рекомендуемые варианты покрытия отверстиями включают HASL, OSP или погружение (золото, серебро или олово).
2Для односторонних приложений USB требуется минимальная толщина PCB 1,57 мм.
3Зона, в которой расположен светодиод, служит зоной размещения светодиода, который должен быть сосредоточен в этой зоне для оптимального расположения и функциональности.
