
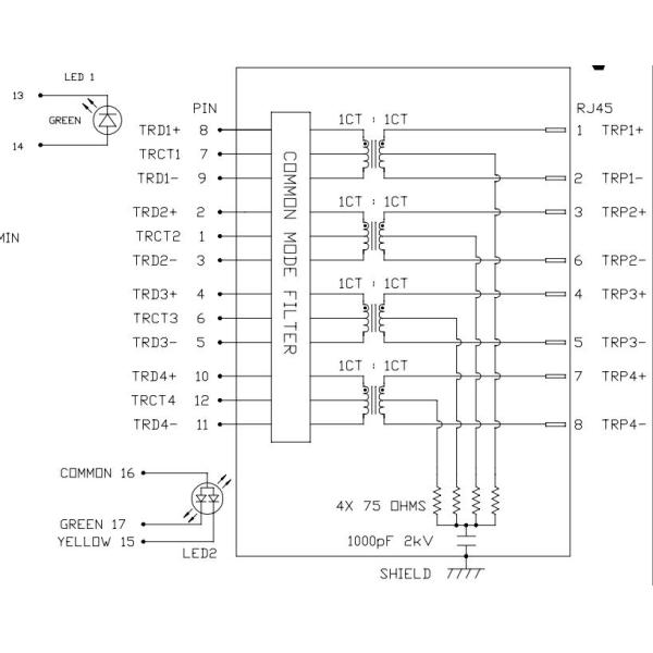
Описание порта RJ45 Magjack L836-121T-KE 1X1:
1,5 основание-T RJ45 Джекg
2.прямоугольныйсоединительRJ45
3.Tab вниз с разъем-розетки RJ45
4.Application: ЭПИЦЕНТР ДЕЯТЕЛЬНОСТИ, РС карта, переключатель
5,1 гаван RJ45 магнитный Джек
| Номер детали | L836-121T-KE |
|---|---|
| Состояние части | Активный |
| Тип соединителя | RJ45 |
| Количество портов | 1x1 |
| Скорость | 5G BASE-T |
| Устанавливать тип | Через отверстие |
| Ориентация | Угол 90° (право) |
| Прекращение | Припой |
| Цвет СИД | Green&Yellow/Green |
| Количество ядров в Джек | 4 |
| Защищать | Защищенный, палец EMI |
| Особенности | Замок доски |
| Направление платы | ВНИЗ |
| Финиш контакта | Золото |
| Рабочая температура | 0°C | 70°C |
| Вы можете быть интересны в ниже любезных поддержках: | ||||
| Схема данных | Запрос электронной почтой к | свяжитесь мы | ||
| Образцы | Свободный | Бесплатно доставка образцов, pls советует под информацией для доставки | ||
| Название фирмы | ||||
| Адрес доставки | ||||
| Номер телефона | ||||
| Агента | ||||
| A.C UPS/DHL/Fedex/TNT | (Если доступный), то | |||
| Пробная продукция | U/P (USD) | $0.09-$1.85 | Мы можем грузить вне разделяем сразу к вашим складу/двери к двери | |
| L/T (недели) | Запас | |||
| Грузя термина | DAP/CIF/FCA/FOB | |||
| Массовое производство | U/P (USD) | Запас | ||
| L/T (недели) | Запас | |||
| Грузя термина | DAP/CIF/FCA/FOB | |||
| Lifecycel | Больше чем 20 лет | Вы можете использовать наши части для долгосрочного рассмотрения | ||
| Коэффициент брака | Нул неполноценный (испытанное 100%) | |||
| Спецслужбы | Accept подгоняло обслуживание | Accept пересматривало конструировать | ||
| Теперь вы можете связаться мы немедленно | ||||
Плата основания-T L836-121T-KE 5G вниз с 1X1 соединителя порта Rj45 Magjack защищала детальные параметры:

Номер детали L836-121T-KE Rj45Magjack подобный:
| L836-121T-KE | L826-1M1T-43-F | L8BJ-1K1T-KDE |
| G27-122T-141B | G55-122N-155 | 2250331-1 |