
2250150-1 одиночное гаван описание Magjack соединителя RJ45:
1.2250150-1 соединитель 4PPoE RJ45
2.2250150-1 2.5G основание-T RJ45 Джек
3.2250150-1 с разъем-розеткой светлой трубы RJ45
2250150-1 2.5G применение соединителя основания-T 4PPoE Rj45 Magjack: Умный дом, умные метры, ЭПИЦЕНТР ДЕЯТЕЛЬНОСТИ, РС карта, переключатель
| Номер детали | 2250150-1 |
|---|---|
| Состояние части | Активный |
| Тип соединителя | RJ45 |
| Количество портов | 1x1 |
| Скорость | 2.5G BASE-T |
| Устанавливать тип | Через отверстие |
| Ориентация | Угол 90° (право) |
| Прекращение | Припой |
| Цвет СИД | Green&Orange/Green |
| Количество ядров в Джек | 8 |
| Защищать | Защищенный, палец EMI |
| Направление платы | ВВЕРХ |
| Финиш контакта | Золото |
| Рабочая температура | -40°C | 85°C |
| Вы можете быть интересны в ниже любезных поддержках: | ||||
| Схема данных | Запрос электронной почтой к | свяжитесь мы | ||
| Образцы | Свободный | Бесплатно доставка образцов, pls советует под информацией для доставки | ||
| Название фирмы | ||||
| Адрес доставки | ||||
| Номер телефона | ||||
| Агента | ||||
| A.C UPS/DHL/Fedex/TNT | (Если доступный), то | |||
| Пробная продукция | U/P (USD) | $0.09-$1.85 | Мы можем грузить вне разделяем сразу к вашим складу/двери к двери | |
| L/T (недели) | Запас | |||
| Грузя термина | DAP/CIF/FCA/FOB | |||
| Массовое производство | U/P (USD) | Запас | ||
| L/T (недели) | Запас | |||
| Грузя термина | DAP/CIF/FCA/FOB | |||
| Lifecycel | Больше чем 20 лет | Вы можете использовать наши части для долгосрочного рассмотрения | ||
| Коэффициент брака | Нул неполноценный (испытанное 100%) | |||
| Спецслужбы | Accept подгоняло обслуживание | Accept пересматривало конструировать | ||
| Теперь вы можете связаться мы немедленно | ||||
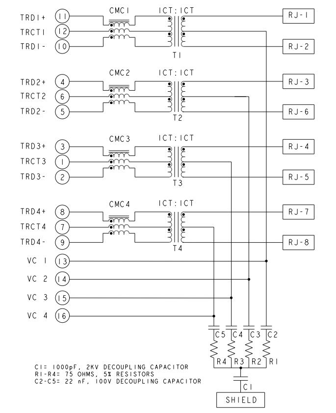
2250150-1 электрическая схема соединителя Rj45 Magjack:

2250150-1 плата вверх по 2.5G номеру детали соединителя основания-T 4PPoE Rj45 Magjack подобному:
| 2250150-1 | L836-121T-KE | L8BJ-1K1T-KDE |
| G27-122T-141B | 2250083-1 | 2250331-1 |