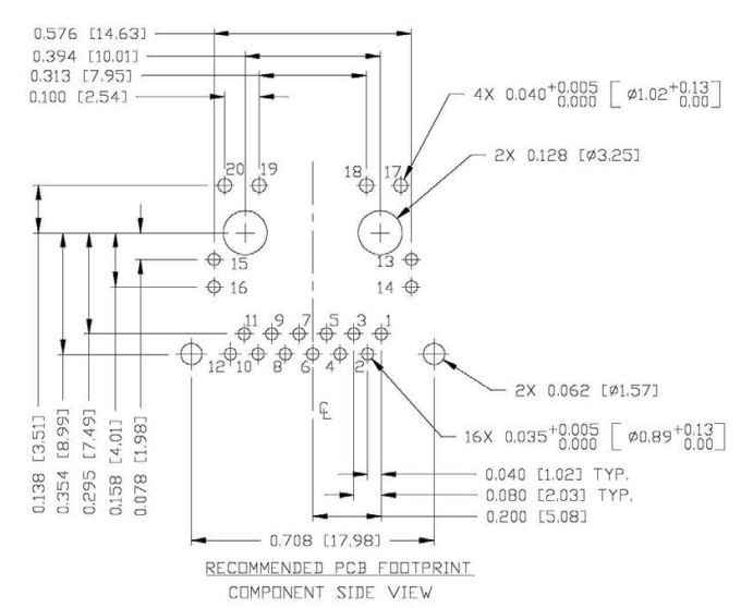
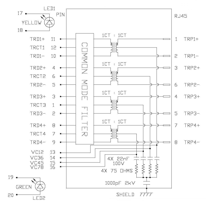
V8BR-1AX1-GH - это однопортовый RJ45-коннектор 1x1, специально разработанный для приложений 1000BASE-T Ethernet, требующих возможностей PoE.Вертикальная конфигурация порта позволяет легко интегрироваться в компактные печатные платы при сохранении надежной производительностиОн может реализовать 60 Вт PoE, чтобы удвоить мощность, которую его продукт может обрабатывать для любого существующего приложения, увеличивая при этом скорость в 10 раз по сравнению со стандартным Гигабит-Эфиртом.ICM серии с вертикальной установкой являются обратно совместимыми с существующими сетями Ethernet и совместимыми со всеми основными 1GBASE-T через 10GBASE-T PHYКлючевые характеристики включают зелено-желтые светодиоды для четкого указания состояния сети и расширенный диапазон температуры работы от -40°C до 85°C,обеспечение стабильной работы в промышленной и коммерческой средеПодходящие приложения включают однокарточные материнские платы, промышленные ПК, принтеры, дочерние карты, промышленные контроллеры и любые приложения, требующие вертикального монтажа Ethernet-коннектора.где пространство в правлении является премией.
| Номер части | V8BR-1AX1-GH |
| Соотношение поворота |
TP1: 1CT :1CT ± 2% TP3: 1CT :1CT ± 2% TP4: 1CT :1CT ± 2% |
| Потеря вставки |
0.1 ~ 1 МГц: -1.0 дБ максимум. 1 ~ 65 МГц: -0,8 дБ максимум. 65-100 МГц: -1,0 дБ максимум. 100~125 МГц: -1,2 дБ максимум. |
| Убытки от возврата |
0.5~40 МГц: -18 дБ мин 40~100 МГц: -12+20 лог (f/80 МГц) dB Min |
| Отказ от общего режима | -30 дБ Min.@1~100 МГц |
| Переговоры | -30 дБ MIN. @ 1 ~ 100 МГц |
| Индуктивность (OCL) @ 100KHz, 0,1V, |
Канал 1 и канал 2: 350 μH Min. @8mA DC BIAS Канал 3 и канал 3: 350 μH Min. @8mA DC BIAS 120 μH Min. @19mA DC BIAS |
| Испытание HiPot | 2250 VDC |


