Соединитель гигабита RJ45 защищал с двойным USB, зарегистрированным Джек 45
P/N: KRJ-1001USB2NL
Описания:
Механические размеры: (Блок: mm)



. XX допуск: +/--0,25
Допуск .XXX: +/--0,13
Материальные спецификации:
Электротехнические условия на 25℃
. Вносимая потеря: 1-100MHZ -1.0dBmax
. Потеря Rturn: 1-30MHZ -16.0dBmin
30-60MHZ -14.0dBmin
60-80MHZ -10.0dBmin
. Перекрестные помехи: 1-30MHZ -40.0dBmin
30-60MHZ -35.0dBmin
60-80MHZ -30.0dBmin
.CMR: 1-100MHZ -35dBmin
. Hi-бак: 1500v AC 6S 1mA
. Коэффициент поворота: 1CT: 1CT±3%
.OCL: DC 350uH @100KHZ 100Mv 8mA
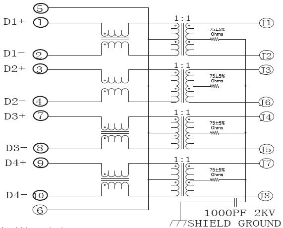
Схема:


Применения:
• Интегрированная основа соединителя RJ45 используемая к:
• карта 10/100/1000M чистая, карта PCMCIA чистая, эпицентр деятельности USB, переключатель сети, маршрутизатор, приемопередатчики оптического волокна, оптически
приемопередатчик, IPphone, телевизионная приставка интернета, камера интернета, чистый мост, компьютер, радиосвязь, MODEM,
HomePNA, DSL/ADSL и так далее.
Конкурентное преимущество:
Keyouda имеет различные типы возникновения и много видов внутренних схематических продуктов, высококачественных,
клиент во первых, тест 100%, 0 дефектов, короткое время выполнения наши самые лучшие преимущества.