Защищаемая плата соединителя магнитная RJ45 10/100M вниз с трансформатора/фильтра
Номер детали: KRJ-9003NL
RJ45, держать хорошее касание между пальцем золота и кристаллической головой, должно покрасить золото на поверхности, там 6u, 15u, 30,50u, обычно использует 6u, согласно запросу клиента и стоило для того чтобы продолжать, вставка пальца золота и вытянуть жизнь должен быть 750 раз вышеуказанн.
Описания:
Механические размеры: (Блок: mm)



Допуск .XX: +/--0,25
Допуск .XXX: +/--0,13Спецификации:
Материальные спецификации:
Электротехнические условия на 25℃:
. Вносимая потеря: 1-100MHZ -1.0dBmax
. Потеря Rturn: 1-30MHZ -16.0dBmin
30-60MHZ -14.0dBmin
60-80MHZ -10.0dBmin
. Перекрестные помехи: 1-30MHZ -40.0dBmin
30-60MHZ -35.0dBmin
60-80MHZ -30.0dBmin
.CMR: 1-100MHZ -35dBmin
. Hi-бак: 1500v AC 6S 1mA
. Коэффициент поворота: 1CT: 1CT±3%
.OCL: 350uH @100KHZ 100Mv 8mA DC
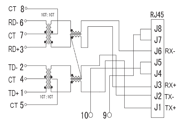
Схема:


Применения:
• Интегрированная основа соединителя RJ45 используемая к:
• карта 10/100M чистая, карта PCMCIA чистая, эпицентр деятельности USB, переключатель сети, маршрутизатор, приемопередатчики оптического волокна, оптически приемопередатчик, телефон IP,
телевизионная приставка интернета, камера интернета, чистый мост, компьютер, радиосвязь, MODEM, HomePNA, DSL/ADSL и так далее.
Конкурентное преимущество:
Keyouda имеет различные типы возникновения и много видов внутренних схематических продуктов, высококачественных, клиента во первых,
тест 100%, 0 дефектов, короткое время выполнения наши самые лучшие преимущества