Вертикаль Джека бокового входа локальных сетей РДЖ45 интегрировала 10/100/1000 Магнетикс
Технические характеристики
| 1.Характеристики: | 1) Разъем RJ45 со встроенным трансформатором/синфазным дросселем |
| 2) Доступно в SMD, THT и THT с USB | |
| 3) 350 мкГн мин.OCL со смещением 8 мА | |
| 4) Соответствует ИЭЭЭ 802.3 | |
| 5) Доступен расширенный диапазон температур от -40°C до +85°C. | |
| 6)ПоЕ/ПоЕ+ | |
| 2. Эксплуатация/применение: | 1) модемы xDSL |
| 2)Встроенный ПК | |
| 3) Приложения локальной сети | |
| 4) концентратор, маршрутизатор, коммутаторы | |
| 3. Электрические характеристики: | |
| 1) Экранированный | С/без |
Особенность:
1. Соответствует стандартам IEEE и всем спецификациям 10/100 Ethernet, включая 350 мкГн со смещением постоянного тока 8 мА.
2. Контакт: фосфористая бронза, 6u-дюймовое золотое покрытие, если не указано иное.
3. Корпус: термопласт LCP UL94V-0.
4. Рабочая температура: 0℃ --70℃
5. Температура хранения: -40℃--85℃
Пиковая температура оплавления 245 ℃
1. Изоляция не менее 1500 В среднеквадратичного значения в соответствии с требованиями 802.3.
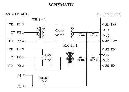
Электрические характеристики:
1. Соотношение оборотов: Tx и Rx+1:1±5%
2. Вносимые потери: 1-30 МГц: -1,0 дБ макс.
3. Обратные потери: 1-30 МГц: -16 дБ мин.;60-80 МГц: 12 дБ мин.
4. Подавление общего режима: 1-100 МГц: -30 дБ мин.; 200 МГц: -20 дБ мин.
5. Перекрёстные помехи: 1-100 МГц: -30 дБ мин.
6. OCL: 100 кГц, 0,1 В, 8MADC: 350 мкГн мин.
7. Hi-Pot: 1500 В переменного тока, 1 мА, 1 сек.
Бессвинцовый процесс, соответствующий RoHS
Рисунок
Гнездо Ethernet RJ45 Гнездо бокового входа Вертикальное интегрированное 10 / 100 / 1000 Magnetics (PHC)
Штриховой рисунок

ВЕЛ

Почему выбирают Пэнхуэй
Качественный :
Ведущий мировой поставщик интегрированного разъема RJ45 и разъема для печатных плат
За исключением покрытия, от дизайнерской оснастки, штамповки, литья под давлением, сборки, тестирования, упаковки. Все этапы
делаем сами.Таким образом, мы можем контролировать качество.
1. Изготовлено под строгим контролем.
2. ИСО 9001:2008
3. Сертификация UL
4. Достичь признания
5. Соответствие RoHS
6. OEM для ИМПУЛЬСА
7. Активная экологическая политика
8. Каждый модуль протестирован 3 раза (не только пакетное тестирование)

Цена за единицу товара
Заряжайте только 35~60% Pulse (Midcom), Bothhand Belfuse, Tyco, Halo и т. д.
Все шаги делаем сами.Таким образом, мы можем контролировать стоимость
PHC имеет более 30 единиц оборудования для автоматизации производства, насколько это возможно.
PHC состоит из 3 подчиненных, расположенных частично в Хунани, Хубэй, Гуандун (штаб-квартира)
Благодаря большому масштабу производственных линий мы можем максимально снизить затраты.
Дизайн и техническая прочность
У нас есть много более чем 20-летний опыт работы в индустрии разъемов, инженер может поддержать ваш новый
проект. Дизайн нового инструмента: 30-45 рабочих дней
Производство и тестирование
PHC имеет более 30 единиц оборудования для автоматизации производства, насколько это возможно.
PHC Каждый магнитный разъем RJ45 протестирован 3 раза (не только пакетное тестирование)
PHC Каждая деталь SMT использовала автоматическое тестирование и упаковку.
Штамповка металла и терминала;Пластиковые инъекции
обслуживание
PHC предлагает хорошее предпродажное и послепродажное обслуживание и надежную техническую поддержку
1) Новый проект: сильная техническая и идеальная поддержка вашего нового дизайна
2) Существующие проекты: постарайтесь помочь клиенту сэкономить, чтобы предложить продукт хорошего качества и сэкономить
3) время.
4) Бесплатные образцы: 3-5 шт каждого номера детали
5) Стоимость доставки: мы можем получить скидку 80% от DHL/UPS/TNT/FedEx, сохраняя безопасность и скорость.
6) Жалоба клиента: 24-48 часов ответа 8D отчет
7) Гарантия: 24 месяца (товар обещают быстро вернуть, заменить или отремонтировать
8) комплекты, если клиенты не удовлетворены)
Основные клиенты



Желаем быть вашим лучшим поставщиком и сторонником решений для подключения к локальной сети
------------- Отдел продаж и поддержки PHC