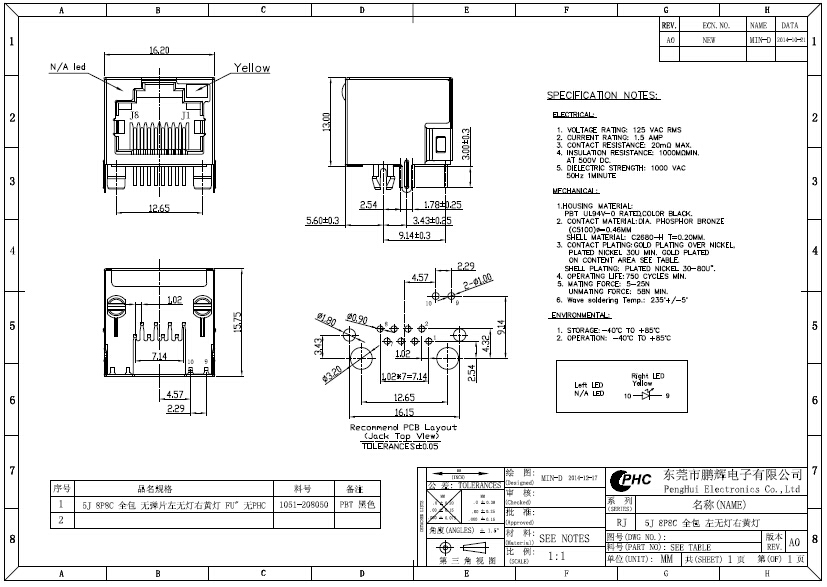
90 градусов RJ45 один гаван с одиночный желтый защищаемыми водить и платой-Вверх
Спецификации
| Тип соединителя | Джек |
| Количество положений/контактов | 8p8c (RJ45, локальные сети) |
| Количество портов | 1 |
| Количество строк | 1 |
| Устанавливать тип | Через отверстие |
| Ориентация | Угол 90° (право) |
| Прекращение | Припой |
| Защищать | Защищенный, палец EMI |
| Оценки | Cat3 |
| Особенности | Замок доски |
| Цвет СИД | Никакой |
| Направление платы | Вверх по |
| Материал контакта | Медный сплав |
| Финиш контакта | Золото |
| Толщина финиша контакта | Внезапный |
| Расквартировывать материал | Термопластиковый |
MECHNICAL:
1. Durrability: 750 циклов минимальный.
2. PCB Retentton PRE-SOLDER: 1 LB MIN.
ЭКОЛОГИЧЕСКИЙ:
1. Хранение: - 40℃ К +85℃.
2. Operatton: 0℃ К 70℃.
ОТВЕТНЫЕ ЧАСТИ С МОДУЛЬНОЙ ШТЕПСЕЛЬНОЙ ВИЛКОЙ СООТВЕТСТВУЯ F. ЧАСТИ FCC.
МАТЕРИАЛ:
1. Расквартировывать материал: стеклянный заполненный полиэстер (UL94V-0).
2. материал контакта: бронза светомассы φ0.46mm (C5 100).
3. плакировка: плакировка glod над никелем.
4. СПЛАВ ЭКРАНА МЕДНЫЙ (ИЛИ СТАЛЬНОЙ СПЛАВ): NI плакировкой толщины 0.20mm.
5. СИД: вариант.
ЭЛЕКТРИЧЕСКИЙ:
1. ОЦЕНКА НАПРЯЖЕНИЯ ТОКА: 125 ВПТ rms.
2. НАСТОЯЩАЯ ОЦЕНКА: 1,5 AMP.
3. КОНТАКТНОЕ СОПРОТИВЛЕНИЕ: 50 миллиом максимальный.
4. СОПРОТИВЛЕНИЕ ИЗОЛЯЦИИ: 500 мегомов DC 500V минуты @.
5. ВЫДЕРЖИВАТЬ ДИЭЛЕКТРИКА
СОПРОТИВЛЕНИЕ: 1000V AC rms 50Hz. 1min.
6. ОЦЕНКИ СИД: пропускное напряжение: 2,2 вольта типичный.
обратное напряжение: 5 вольт максимальный.
Чертеж
90 градусов RJ45 один гаван с одиночный желтый защищаемыми водить и платой-Вверх
(PHC)

Почему выберите PengHui
Качество:
За исключением плакировки, от инструмента для конструирования, штемпелюя, инжекционного метода литья, соберите, испытывать, пакуя. Полностью шаг делает собой. Так мы можем контролировать качество.
| Изготовленный под строгими контролями | Соответствие RoHS |
| 9001:2008 ISO | OEM для ИМПА УЛЬС |
| Аттестация UL | Активная политика по вопросам окружающей среды |
| Достигаемость Cetitifaction | Каждый модуль испытал 3times (не как раз испытанная серия) |
Цена единицы продукци
Поручите только 35% | 60% из ИМПа ульс, (Midcom), Bothhand Belfuse, Tyco, венчик,….Etc
| Полностью шаг делает собой. Так мы можем контролировать цену |
| PHC имеют больше чем 30 оборудований автоматизации блоков к продукту как возможный |
| PHC состоит из 3 субординаций, расположенных отчасти в Хунани, Хубэй, Гуандун. |
| С большим диапазоном поточных линий, мы можем достигнуть в объем снижения себестоимости самое большее |
Production&Testing
| PHC имеют больше чем 30 оборудований автоматизации блоков к продукту как возможный |
| PHC каждое магнитное RJ45 испытало 3times (не как раз испытанная серия) |
| Каждая SMT часть PHC использовала автоматизацию испытывая и пакуя. |
Обслуживание
Пре-продажи предложения PHC хорошие & служба технической поддержки &Strong послепродажного обслуживания
| Новый проект: Сильная техническая и идеальная поддержка ваш новый дизайн |
| Существуя проекты: Попробуйте помочь клиенту сохранить цену для предложения хорошего качественного продучта и сохраните время. |
| Свободные образцы: 3-5 PCS номера каждой из частей. |
| Грузя гонорар: Мы можем получить 80% от DHL/UPS/TNT/FedEx, держа безопасным и быстрым. |
| Жалоба клиента: 24-48 часов отчете о ответа 8D. |
| Гарантия: 24 месяца (пообещаны, что быстро возвращен товар, замена, или комплекты для ремонта, если клиенты не удовлетворены), то |
Качественная организационная схема отдела

Главные клиенты

Пожелайте быть вашими самыми лучшими поставщиком и сторонником в ваших решениях соединителя Lan
------------- Продажи & группа обеспечения PHC