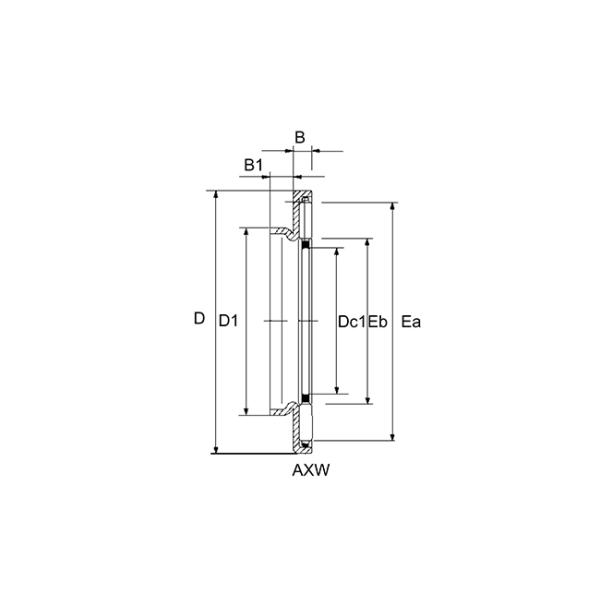
Подшипник тяги ролика иглы с шайбой AXW20 центризуя фланца и осевого носить
Подшипник тяги ролика иглы со спецификациями центризуя фланца:
|
Вал Диаметр |
Носить обозначение | Масса | Размер | Размер следа | Оценка основной нагрузки |
Ограничиваясь скорость r/min |
||||||
| Dcl | D1 | D | B | B1 | Eb | Ea | C | Co | ||||
| mm | g | KN | ||||||||||
| 10 | AXW10 | 8,3 | 10 | 14 | 27 | 3,2 | 3 | 12 | 23 | 9,2 | 25,5 | 16000 |
| 12 | AXW12 | 9,1 | 12 | 16 | 29 | 3,2 | 3 | 14 | 25 | 9,9 | 29 | 14000 |
| 15 | AXW15 | 10 | 10 | 15 | 21 | 3,2 | 3,5 | 17 | 27 | 11,3 | 36 | 13000 |
| 17 | AXW17 | 11 | 17 | 23 | 33 | 3,2 | 3,5 | 19 | 29 | 11,9 | 39,5 | 12000 |
| 20 | AXW20 | 14 | 20 | 26 | 38 | 3,2 | 3,5 | 22 | 34 | 13,1 | 46,5 | 10000 |
| 25 | AXW25 | 20 | 25 | 32 | 45 | 3,2 | 4 | 29 | 41 | 14,7 | 58 | 8000 |
| 30 | AXW30 | 22 | 30 | 37 | 50 | 3,2 | 4 | 34 | 46 | 16,3 | 70 | 7000 |
| 35 | AXW35 | 27 | 35 | 42 | 55 | 3,2 | 4 | 39 | 51 | 17,8 | 81 | 6500 |
| 40 | AXW40 | 39 | 40 | 47 | 63 | 4,2 | 4 | 45 | 58 | 28 | 114 | 5500 |
| 45 | AXW45 | 43 | 45 | 52 | 68 | 4,2 | 4 | 50 | 63 | 30 | 128 | 5000 |
| 50 | AXW50 | 49 | 50 | 58 | 73 | 4,2 | 4,5 | 55 | 68 | 32 | 143 | 4700 |
ПРОДОЛЖЕННЫЙ СВЕРХУ
| Носящ шайбу и носить соответствующие для комбинации | |||||||
| КАК | LS | WS811 | HK | HK_RS | BK |
NK NKS RNA49 RNA69 |
NKI NKIS NA49 NA69 |
| AS1024 | LS1024 | • |
HK1010, HK1012 |
• |
BK1010, BK1012 |
NK7/10TN | • |
| AS1226 | LS1226 | • | HK1210 | • | BK1210 | NK9/12TN |
NKI6/12TN
|
| AS1528 | LS1528 | WS81102 |
HK1512, HK1516 |
HK1514RS |
BK1512, BK1516 |
• | • |
| AS1730 | LS1730 | WS81103 | HK1712 | • | • |
NK15/16, NK15/20 |
• |
| AS2035 | LS2035 | WS81104 |
HK2012, HK2016 |
HK2018RS | BK2016 |
NK18/16, NK18/20 |
• |
| AS2542 | LS2542 | WS81105 |
HK2512, HK2516 |
HK2518RS | • |
NK24/16, NK24/20 |
NKI20/16 |
| AS3047 | LS3047 | WS81106 |
HK3012, HK3016 |
HK3018RS |
BK3012, BK3016 |
NK28/20, NK28/30 |
NA4904 |
| AS3552 | LS3552 | WS81107 |
HK3512, HK3516 |
HK3518RS | • |
NK32/20, NK32/30 |
NKIS20, NA4905 |
| AS4060 | LS4060 | WS81108 |
HK4012, HK4016 |
HK4018RS | • |
NK37/20, NK37/30 |
NKIS25, NA4906 |
| AS4565 | LS4565 | WS81109 |
HK4516, HK4520 |
HK4518RS | BK4520 |
NK42/20, NK42/30 |
NKIS30 |
| AS5070 | LS5070 | WS81110 |
HK5020, HK5025 |
HK5022RS | • | NKS43 | NKIS35 |


