ХРОМОВАЯ СТАЛЬ 32318J2Q 32318ECJ 32318X P6 P5 P3 P4 P2 качественная РОВНАЯ сплющила подшипник ролика
32318J2Q сплющивают подшипник ролика, с внутренним диаметром 90 mm и наружный диаметр 190 mm и ширины 67,5 mm, подшипник металла. Он обыкновенно использован для промышленных применений. Мы основанные на Дели изготовитель и поставщик подшипников ролика конусности.
(Если вы хотите тратить меньше денег, то это место, который нужно прийти)
Вследствие этих же, качество подшипников ролика конусности полно обеспечено. Для того чтобы покрыть оно, эти промышленные подшипники качеств-проанализированы, так, что подшипники из серии достигнуть нас только после их пройдут все качественные проверки.
Мы имеем большое основание клиента в Индии так же, как за рубежом. Наши клиенты включают некоторые из ведущих компаний которые изготовляют промышленное оборудование так же, как автомобили. Наши подшипники ролика конусности также использованы в различных бытовых приборах как вентиляторы и стиральные машины etc.
Подшипник ролика конусности 32318J2Q сильно надежные, компакт и компонент низко-трением который широко использован в много применений. Подшипник использован для того чтобы обеспечить ровное и последовательное движение частей на интерфейсе между 2 поверхностями или валами.


|
max.109 mm
|
||
| db |
min.105.5 mm
|
Диаметр устоя вала |
| Da |
min.157 mm
|
Диаметр расквартировывать устой |
| Da |
max.177.5 mm
|
Диаметр расквартировывать устой |
| Db |
min.177 mm
|
Диаметр расквартировывать устой |
| Ca |
min.7 mm
|
Минимальная ширина требуемого места в снабжении жилищем на большой бортовой стороне |
| Cb |
min.14.5 mm
|
Минимальная ширина требуемого места в снабжении жилищем на небольшой бортовой стороне |
| ra |
max.4 mm
|
Радиус филе вала |
| rb |
max.3 mm
|
Радиус расквартировывать филе |
| Основная оценка динамической нагрузки | C |
kN 487
|
|---|---|---|
| Основная оценка неподвижной нагрузки | C0 |
kN 610
|
| Предел нагрузки усталости | Pu |
kN 65,5
|
| Скорость ссылки |
2 600 r/min
|
|
| Ограничиваясь скорость |
3 600 r/min
|
|
| Ограничивающая величина | e |
0,35
|
| Фактор вычисления | Y |
1,7
|
| Фактор вычисления | Y0 |
0,9
|
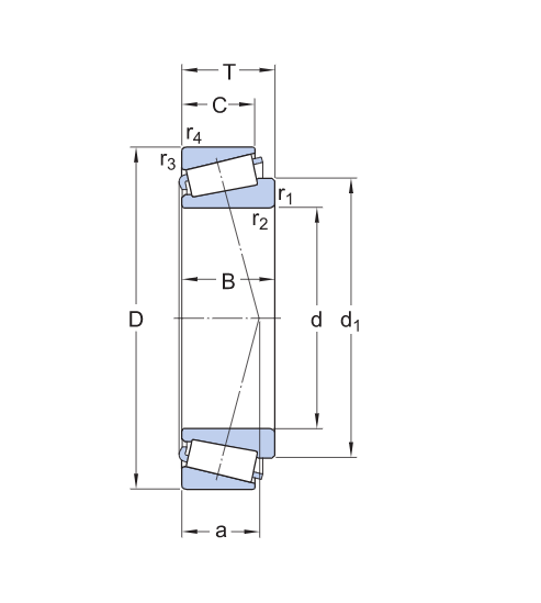
| d |
90 mm
|
Диаметр расточки |
|---|---|---|
| D |
190 mm
|
Внешний диаметр |
| T |
67,5 mm
|
Полная ширина |
| d1 |
≈133,9 mm
|
Диаметр плеча внутреннего кольца |
| B |
64 mm
|
Ширина внутреннего кольца |
| C |
53 mm
|
Ширина наружного кольца |
| r1,2 |
min.4 mm
|
Скосите размер внутреннего кольца |
| r3,4 |
min.3 mm
|
Скосите размер наружного кольца |
| a |
44,3
|
С этими подшипниками, оно как добавление крыльев к тигру
| NUP308 | NUP309 | NUP2206 | NUP206 | NUP2208=210 | NUP207 | NUP207/NUP306 | NUP310 |
| 30309D=110 | T7FC055 | NUP2207 | 6305M | NUP307=110 | NUP307 | 30309D | T7FC065 |
| 6305 | T7FC055 | NUP2207 | 4T-30307 | NUP207=120 | NUP307 | 30312D | 30312D |
| NUP206=100 | T7FC060 | NUP2209 | HMK3525+IR | NUP2206=130 | NUP308 | 30312D | |
| NUP2212=220 | 32205 | NUP2209 | NUP307 | NUP2207=140 | NUP2211 | 30312D | |
| NUP2211=250 | 32207 | NUP2209 | NUP306 | NUP2209=160 | NUP2208 | 30312 | |
| NUP309=180 | NUP207 | NUP2212 | 30309D | NUP309=180 | NUP309 | NUP310 | |
| NUP309 | 6213 | NUP2212 | 30210 | NUP309=180 | NUP309 | NUP308 | |
| NUP206E | NUP308 | NUP2211 | 30210 | 30312D=155 | 30314D | NUP306 | |
| 15578 | NUP309 | T7FC055=300 | 30311D | 30312D=155 | 30312D | NUP307 | |
| 11749/11710 | NIP2310 | NUP308=140 | 30311D | 30314D=250 | 6008 | NUP205E |
Шоу изображения




вопросы и ответы
Q1: Я хочу покупать ваши продукты, как могу я оплатить?
: Вы можете оплатить через T/T, L/C, ЗАПАДНОЕ СОЕДИНЕНИЕ, ESCROW, PAYPAL, ETC. Особенно ESCROW, который гарантирован Alibaba.com. Он безопасен и эффективен.
Q2: Как можете вы гарантировать качество?
: Если вы сталкиваетесь с качественный, то мы обещаем заменить товары или возвратить ваши фонды.
Q3: Если мы не находим, то чего мы хотим на вашем вебсайте, чего должны мы сделать?
: Вы можете отправить нам описания по электронной почте и изображения продуктов вам, мы проверят имеем ли мы их. Мы начинаем новые детали каждый месяц, и некоторые из их не были загружаны к вебсайту во времени. Или вы можете отправить нами образец срочным, мы начнете этот деталь для покупать большей части.
Q4: Можем мы купить 1 ПК каждого деталя для качественного испытания?
: Да, мы радостны отправить 1pc для качественного испытания если мы имеем деталь, то вам в запасе.
Почему выберите нас?
1. Позвольте нам бесед-мы не имеем НИКАКОЙ барьер в языке
2. запрос для больше данных по деталя---почти 2000 продуктов для вашего варианта!
3. напишите нас для цитаты---ответьте вы в течение 24 часов, одна цитата смогл быть готова в 2mins для готового produ