Длинная ХРОМОВАЯ СТАЛЬ 85*180*60mm продолжительности эксплуатации 22317CA 22317E 22317W33
Внедрение продукции (хороший носить и хорошая цена)
Сферически подшипники ролика 22317CA предназначены к весьма строгим применениям и должны поддержать высокие нагрузки, строгое рассогласование, загрязненные окружающие среды, удары, и вибрации. sphericals отличают оценкой нагрузки индустрии самой высокой: полное 18% более высокое чем стандартный сферически подшипник ролика.


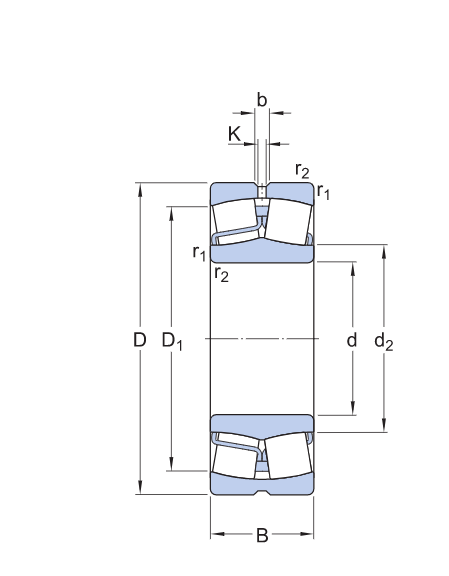
| d |
85 mm
|
Диаметр расточки |
|---|---|---|
| D |
180 mm
|
Внешний диаметр |
| B |
60 mm
|
Ширина |
| d2 |
≈108 mm
|
Диаметр плеча внутреннего кольца |
| D1 |
≈154 mm
|
Плечо/диаметр гнезда наружного кольца |
| b |
8,3 mm
|
Ширина паза смазки |
| K |
4,5 mm
|
Диаметр отверстия смазки |
| r1,2 |
min.3 mm
|
Скосите размер |
| da |
min.99 mm
|
Диаметр устоя вала |
|---|---|---|
| Da |
max.166 mm
|
Диаметр расквартировывать устой |
| ra |
max.2.5 mm
|
Радиус филе |
| Основная оценка динамической нагрузки | C |
kN 577
|
|---|---|---|
| Основная оценка неподвижной нагрузки | C0 |
kN 620
|
| Предел нагрузки усталости | Pu |
kN 61
|
| Скорость ссылки |
2 800 r/min
|
|
| Ограничиваясь скорость |
3 800 r/min
|
|
| Ограничивающая величина | e |
0,33
|
| Фактор вычисления | Y1 |
2
|
| Фактор вычисления | Y2 |
3
|
| Фактор вычисления | Y0 |
2
|
| da |
min.99 mm
|
Диаметр устоя вала |
|---|---|---|
| Da |
max.166 mm
|
Диаметр расквартировывать устой |
| ra |
max.2.5 mm
|
Радиус филе |
| НОМЕР ДЕТАЛИ | 22317 CA C3 W33 |
|---|---|
| ОПИСАНИЕ | 22317 CA C3 W33 |
| D | 85mm (3,3465 дюйма) |
| D | 180mm (7,0866 дюйма) |
| B | 60mm (2,3622 дюйма) |
| ОСНОВНОЙ ДИНАМИЧЕСКИЙ КЛАССИФИЦИРУЯ CR | kN 431 (96893 фунта) |
| ОСНОВНОЙ СТАТИЧЕСКИЙ КЛАССИФИЦИРУЯ COR | kN 539 (121172 фунта) |
| ТАВОТ ОГРАНИЧИВАЯСЬ СКОРОСТИ (RPM) | 2, 000 |
| МАСЛО ОГРАНИЧИВАЯСЬ СКОРОСТИ (RPM) | 2, 600 |
| RS (МИНУТА) | 3mm (0,1181 дюйма) |
| E | 0,34 |
| Y1 | 2 |
| Y2 | 3 |
| Y0 | 2 |
| ЕДИНИЦА ИЗМЕРЕНИЯ ВЕСА: | EA |
|---|---|
| ВЕС: | 16,87 |
| МНОГОКРАТНАЯ ЦЕПЬ QTY ПРОДАЖИ: | 1 |
| УПАКОВАННАЯ ДЛИНА: | 7,24 |
| УПАКОВАННАЯ ШИРИНА: | 2,48 |
| УПАКОВАННАЯ ВЫСОТА: | 7,24 |
| НО. LINKS/FT.: | 0 |
| DIA СКВАЖИНЫ: | 85mm (3,3465 дюйма) |
| КОНФИГУРАЦИЯ СКВАЖИНЫ: | Цилиндрический |
| СЕРИЯ: | 22300 |
| КЛЕТКА: | CA - 1 латунь ПК |
| РАДИАЛЬНЫЙ ЗАЗОР: | C3 |
| УГЛОВОЕ ОТКЛОНЕНИЕ: | 2° |
| DIA СКВАЖИНЫ | 85mm (3,3465 дюйма) |
|---|---|
| КОНФИГУРАЦИЯ СКВАЖИНЫ | Цилиндрический |
| СЕРИЯ | 22300 |
| КЛЕТКА | CA - 1 латунь ПК |
| РАДИАЛЬНЫЙ ЗАЗОР | C3 |
| УГЛОВОЕ ОТКЛОНЕНИЕ | 2° |
Собрание 22317CA
| 11749/11710 | M5X130 | NUP205E | TM09 | M2X146 | NUP307 | 30312D | 30314D | NUP207 |
| NUP2310 | 30314D=250 | NUP207=120 | GM18VL | M2X150 | NUP2208 | NUP2209 | 30312D | 6213 |
| 30312D | NUP309 | NUP2209=160 | KMF125 | M2X170 | NUP2211 | NUP2209 | 6008 | NUP308 |
| 30312D | T7FC055 | NUP2207=140 | HMK3525+IR | M2X210 | NUP308 | NUP2209 | NUP307 | KMF41-PC60-7 |
| NUP308 | T7FC055 | NUP2206=130 | 30309D | HMGF57 | NUP309 | NUP2212 | 30311D | M2X63 |
| DNB50/60 | NUP310 | NUP309=180 | 30210 | SG08 | NUP309 | NUP2212 | T7FC055 | |
| HMGF35 | JMF250 | NUP309=180 | 30210 | GM17VA | NUP2212 | NUP2211 | NIP2310 | |
| HMGF36 | NUP309 | NUP310 | 30311D | JMV-44/22 | 30312D=155 | 30312D=155 | NUP208E | |
| HMGC48 | JMF29 | NUP2206 | SG04 | GM35VA | M2X96 | M2X120 | NUP308=140 | |
| 4T-30307 | JMF23 | NUP2207 | SG025 | GM35VL | MCB172 | 32207 | SG20 | |
| NUP306 | JMF151 | NUP2207 | SG02 | GM38VB | HMT36FA | 30312 | MAG85 | |
| NUP307 | JMF195 | JMV-53/31 | SG15 | MAG150 | HMGC32 | MAG150 | MAG120 |
Шоу изображения




Q1: Я хочу покупать ваши продукты, как могу я оплатить?
: Вы можете оплатить через T/T, L/C, ЗАПАДНОЕ СОЕДИНЕНИЕ, ESCROW, PAYPAL, ETC. Особенно ESCROW, который гарантирован Alibaba.com. Он безопасен и эффективен.
Q2: Как можете вы гарантировать качество?
: Если вы сталкиваетесь с качественный, то мы обещаем заменить товары или возвратить ваши фонды.
Q3: Если мы не находим, то чего мы хотим на вашем вебсайте, чего должны мы сделать?
: Вы можете отправить нам описания по электронной почте и изображения продуктов вам, мы проверят имеем ли мы их. Мы начинаем новые детали каждый месяц, и некоторые из их не были загружаны к вебсайту во времени. Или вы можете отправить нами образец срочным, мы начнете этот деталь для покупать большей части.
Q4: Можем мы купить 1 ПК каждого деталя для качественного испытания?
: Да, мы радостны отправить 1pc для качественного испытания если мы имеем деталь, то вам в запасе.
Почему выберите нас? 1. Позвольте нам бесед-мы не имеем НИКАКОЙ барьер в языке.
2. запрос для больше данных по деталя---почти 2000 продуктов для вашего варианта!
3. напишите нас для цитаты---ответьте вы в течение 24 часов, одна цитата смогл быть готова в 2mins для готового продукта.