Подшипники ролика ХРОМОВОЙ СТАЛИ H318 H318RS H318W H318J2Q H318ZZ H318CCA H318C H318X P0 P6 P5 P3 P4 P2 качественные РОВНЫЕ сферически
Закрепительная втулка введения продукции с пружинной шайбой подгаечника KM и MB, метрическими размерами
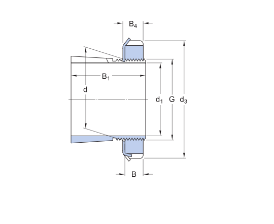
Закрепительные втулки наиболее обыкновенно используемые компоненты для устраивать подшипники со сплющенной скважиной на цилиндрическое место по мере того как их можно использовать на простых валах или шагнули валы. Они разрезаны и поставленные законченные с подгаечником KM и пружинной шайбой MB.
| d1 |
80 mm
|
Диаметр расточки |
|---|---|---|
| d |
90 mm
|
Конусность внешнего диаметра небольшая |
| d3 |
120 mm
|
Подгаечник внешнего диаметра |
| B1 |
65 mm
|
Ширина |
| B |
16 mm
|
Подгаечник ширины |
| B4 |
18 mm
|
Подгаечник ширины включая пружинную шайбу |
| G |
M90x2
|
Поток |
|
1:12
|
Внешняя конусность |
Мы можем также предложить более соответствуя товары
| 11749/11710 | NUP206E | NUP309=180 | NUP2212=220 | 6305 | NUP308 | NUP308=140 | 30314D=250 |
| NUP2310 | 15578 | NUP309 | NUP206=100 | NUP2211=250 | 30309D=110 | T7FC055=300 | NUP308=140 |
| NUP309 | NUP2206 | NUP206 | NUP2208=210 | NUP207 | NUP207/NUP306 | NUP309 | NIP2310 |
| T7FC055 | NUP2207 | 6305M | NUP307=110 | NUP307 | 30309D | 30312D | NUP208E |
| T7FC055 | NUP2207 | 4T-30307 | 30312 | NUP307 | 30312D | 30314D | |
| 32207 | NUP207=120 | NUP306 | 30312D | NUP2208 | NUP2209 | 30312D | |
| 32205 | NUP2209=160 | NUP307 | 30312D | NUP2211 | NUP2209 | 6008 | |
| T7FC060 | NUP2207=140 | HMK3525+IR | NUP310 | NUP308 | NUP2209 | NUP307 | P |





вопросы и ответы
Q1: Я хочу покупать ваши продукты, как могу я оплатить?
: Вы можете оплатить через T/T, L/C, ЗАПАДНОЕ СОЕДИНЕНИЕ, ESCROW, PAYPAL, ETC. Особенно ESCROW, который гарантирован Alibaba.com. Он безопасен и эффективен.
Q2: Как можете вы гарантировать качество?
: Если вы сталкиваетесь с качественный, то мы обещаем заменить товары или возвратить ваши фонды.
Q3: Если мы не находим, то чего мы хотим на вашем вебсайте, чего должны мы сделать?
: Вы можете отправить нам описания по электронной почте и изображения продуктов вам, мы проверят имеем ли мы их. Мы начинаем новые детали каждый месяц, и некоторые из их не были загружаны к вебсайту во времени. Или вы можете отправить нами образец срочным, мы начнете этот деталь для покупать большей части.
Q4: Можем мы купить 1 ПК каждого деталя для качественного испытания?
: Да, мы радостны отправить 1pc для качественного испытания если мы имеем деталь, то вам в запасе.
Почему выберите нас?
1. Позвольте нам бесед-мы не имеем НИКАКОЙ барьер в языке
2. запрос для больше данных по деталя---почти 2000 продуктов для вашего варианта!
3. напишите нас для цитаты---ответьте вы в течение 24 часов, одна цитата смогл быть готова в 2mins для готового продукта