Шарикоподшипник подушки ХРОМОВОЙ СТАЛИ FY50TF FY50TFJ2Q UCF50TE FY50TFW P0 P6 P5 P3 P4 P2 качественный РОВНЫЙ

 
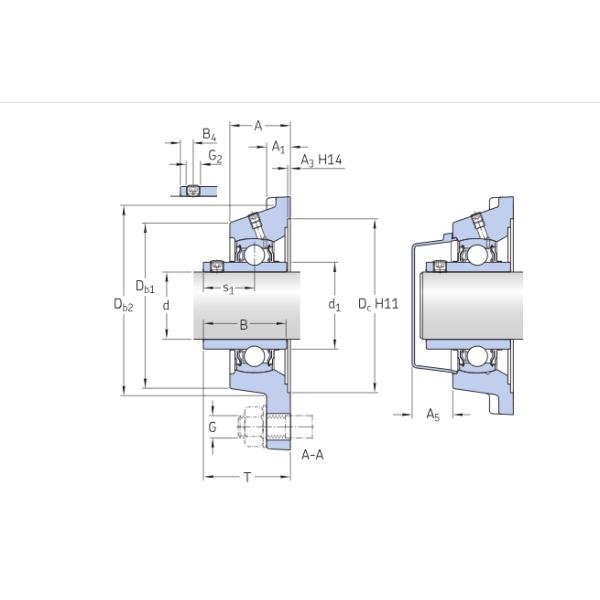
| d | 50 mm | Диаметр расточки | 
|---|---|---|
| d1 | ≈62,51 mm | Наружный диаметр внутреннего кольца | 
| 43 mm | Общая ширина | |
| 1 | 15 mm | Ширина фланца | 
| 3 | 3,2 mm | Глубина центризовать гнездо | 
| 5 | 33 mm | Лучший из лучших крышки конца | 
| B | 51,6 mm | Ширина внутреннего кольца | 
| B1 | 51,6 mm | Общая нося ширина | 
| B4 | 9 mm | Расстояние от стороны запирающего устройства бортовой для того чтобы продеть нитку центр | 
| Db1 | 107 mm | Верхний внешний диаметр | 
| Db2 | 118 mm | Низкопробный внешний диаметр | 
| Dc | 125,4 mm | Диаметр расквартировывая центризуя гнезда | 
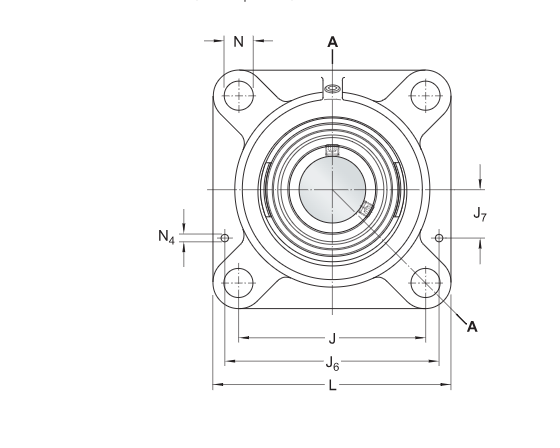
| J | 111 mm | Расстояние между болтами приложения | 
| L | 143 mm | Общая длина | 
| N | 18 mm | Диаметр отверстия для болтов приложения | 
| s1 | 32,6 mm | Расстояние от стороны запирающего устройства бортовой к центру raceway | 
| T | 60,6 mm | Общая ширина блока | 
| RG | 1/4-28 UNF | Расквартировывать поток для штуцера тавота | 
|---|---|---|
| R1 | 28,5 mm | Осевое положение расквартировывая потока | 
| DN | 6,5 mm | Диаметр главной сферы штуцера тавота | 
|---|---|---|
| SWN | 7 mm | Шестиугольный ключевой размер для штуцера тавота | 
| GN | 1/4-28 SAE-LT | Поток штуцера тавота | 
| J6 | 129 mm | Расстояние контрольных штифтов | 
|---|---|---|
| J7 | 35,5 mm | Осевое смещение контрольных штифтов | 
| N4 | 4 mm | Порекомендованный диаметр для контрольных штифтов | 
| Основная оценка динамической нагрузки | C | kN 35,1 | 
|---|---|---|
| Основная оценка неподвижной нагрузки | C0 | kN 23,2 | 
| Предел нагрузки усталости | Pu | 0,98 kN | 
| Ограничиваясь скорость | 4 000 r/min | 


 
вопросы и ответы
Q1: Я хочу покупать ваши продукты, как могу я оплатить?
: Вы можете оплатить через T/T, L/C, ЗАПАДНОЕ СОЕДИНЕНИЕ, ESCROW, PAYPAL, ETC. Особенно ESCROW, который гарантирован Alibaba.com. Он безопасен и эффективен.
Q2: Как можете вы гарантировать качество?
: Если вы сталкиваетесь с качественный, то мы обещаем заменить товары или возвратить ваши фонды.
Q3: Если мы не находим, то чего мы хотим на вашем вебсайте, чего должны мы сделать?
: Вы можете отправить нам описания по электронной почте и изображения продуктов вам, мы проверят имеем ли мы их. Мы начинаем новые детали каждый месяц, и некоторые из их не были загружаны к вебсайту во времени. Или вы можете отправить нами образец срочным, мы начнете этот деталь для покупать большей части.
Q4: Можем мы купить 1 ПК каждого деталя для качественного испытания?
: Да, мы радостны отправить 1pc для качественного испытания если мы имеем деталь, то вам в запасе.
Почему выберите нас?
1. Позвольте нам бесед-мы не имеем НИКАКОЙ барьер в языке
2. запрос для больше данных по деталя---почти 2000 продуктов для вашего варианта!
3. напишите нас для цитаты---ответьте вы в течение 24 часов, одна цитата смогл быть готова в 2mins для готового продукта