УРОВЕНЬ KRV22-PP-XA KRV22-PP-XARS KRV22-PP-XAJ2Q P0 P6 P5 P3 P4 P2 качественный ПОКРЫТЬ ХРОМОМ сферически подшипники ролика
Введение продукции
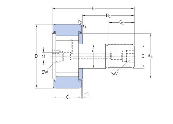
Ролик поддержки дизайна NATR или NATV со сползая полиамида 66 осевыми и герметизируя кольцами на обеих сторонах. Улучшенный увенчанный профиль поверхности наружного кольца идущей, толкатель клапана дизайна KR имеет такие же особенности как NATR или NATV, размеры 16 и 19 имеют один слот в голове стержня как стандарт. ≥ 22 размеров имеет утопленный шестиугольник на обоих концах, особенности за исключением поверхности наружного кольца идущей, которая имеет цилиндрический профиль
Толкатели клапана (типа стержн ролики следа) конструированы для бега на всех типах следов и быть использованным в кулачковых передачах, системах транспортера, etc. они основаны на подшипнике ролика иглы с продетым нитку твердым стержнем вместо внутреннего кольца. Они имеют толстостенное наружное кольцо с цилиндрической идущей поверхностью и поставлены загерметизированный и готов-к-держатель. Подшипники можно relubricated через стержень.

| D | 22 mm | Внешний диаметр | 
|---|---|---|
| d | 10 mm | Диаметр приложения | 
| B | 36,2 mm | Полная длина | 
| C | 12 mm | Кольцо ширины наружное | 
| B1 | 23 mm | Хвостовик длины на стержне | 
| C1 | 0,6 mm | Кольцо стороны расстояния наружное к шайбе верхней грани | 
| d1 | 17,1 mm | Кольцо фланца внешнего диаметра | 
| G | M10x1 | Стержень потока | 
| G1 | 12 mm | Поток длины | 
| M | 3 mm | Диаметр места для аксессуаров смазки | 
| SW | 5 mm | Ширина через квартиры | 
| r1,2 | min.0.3 mm | Скосите размер | 
| Основная оценка динамической нагрузки | C | kN 5,61 | 
|---|---|---|
| Основная оценка неподвижной нагрузки | C0 | kN 9,5 | 
| Предел нагрузки усталости | Pu | kN 1,06 | 
| Максимальные динамические радиальные нагрузки | Fr | kN max.5.5 | 
| Максимальные статические радиальные нагрузки | F0r | kN max.7.8 | 
| Ограничиваясь скорость | 3 600 r/min | 
| Свертывая элементы | Ролики иглы | 
| Количество строк | 1 | 
| Наружный профиль кольца | Цилиндрический | 
| Выравнивание стержня | Центральный | 
| Количество фланцов, наружное кольцо | 2 | 
| Особенность для затягивать | Шестиугольный гнездо | 
| Клетка | Без | 
| Радиальный внутренний зазор | Между C2 и CN | 
| Класс допуска | Другой | 
| Материал, подшипник | Носить сталь | 
| Покрытие | Без | 
| Запечатывание | Уплотнение на обеих сторонах | 
| Герметизируя тип | Контакт | 
| Смазка | Тавот | 
| Особенность Relubrication | Центр каждого конца стержня | 
| KMF125-PC200-8 | NUP206E | NUP309=180 | NUP2212=220 | 6305 | NUP308 | NUP308=140 | 30314D=250 | 
| KMF160-PC360-7 | 15578 | NUP309 | NUP206=100 | NUP2211=250 | 30309D=110 | T7FC055=300 | NUP309 | 
| MSG-27P | NUP2206 | NUP206 | NUP2208=210 | NUP207 | NUP207/NUP306 | NUP309 | T7FC055 | 
| AP5S53 | NUP2207 | 6305M | NUP307=110 | NUP307 | 30309D | 30312D | T7FC055 | 
| M5X130 | NUP2207 | 4T-30307 | 30312 | NUP307 | 30312D | 30314D | 32207 | 
| M5X180 | NUP207=120 | NUP306 | 30312D | NUP2208 | NUP2209 | 30312D | |
| 32205 | NUP2209=160 | NUP307 | 30312D | NUP2211 | NUP2209 | 6008 | |
| T7FC060 | NUP2207=140 | HMK3525+IR | NUP310 | NUP308 | NUP2209 | NUP307 | |
| NUP207 | NUP2206=130 | 30309D | NUP308 | NUP309 | NUP2212 | 30311D | |
| 6213 | NUP309=180 | 30210 | NUP306 | NUP309 | NUP2212 | T7FC055 | |
| NUP308 | NUP309=180 | 30210 | NUP307 | NUP2212 | NUP2211 | NIP2310 | |
| NUP309 | NUP310 | 30311D | NUP205E | 30312D=155 | 30312D=155 | NUP208E | |
| JMF29 | SG08 | SG04 | GM35VA | M2X96 | M2X120 | NUP308=140 | |
| JMF23 | GM17VA | SG025 | GM35VL | MCB172 | M2X146 | T7FC065 | |
| JMF151 | JMV-44/22 | SG02 | GM38VB | HMT36FA | M2X150 | NUP207 | |
| JMF195 | JMV-53/31 | SG15 | MAG150 | HMGC32 | M2X170 | HMS072 | |
| JMF250 | MAG85 | SG20 | TM09 | HMGF35 | M2X210 | AP5S67 | |
| M2X55 | MAG120 | KMF41-PC60-7 | GM18VL | HMGF36 | HMGF57 | 11749/11710 | |
| M2X63 | MAG150 | KMF90-PC200-6 | KMF125-PC200-7 | HMGC48 | DNB50/60 | NUP2310 | 



 
	

	вопросы и ответы
Q1: Я хочу покупать ваши продукты, как могу я оплатить?
: Вы можете оплатить через T/T, L/C, ЗАПАДНОЕ СОЕДИНЕНИЕ, ESCROW, PAYPAL, ETC. Особенно ESCROW, который гарантирован Alibaba.com. Он безопасен и эффективен.
	Q2: Как можете вы гарантировать качество?
: Если вы сталкиваетесь с качественный, то мы обещаем заменить товары или возвратить ваши фонды.
	Q3: Если мы не находим, то чего мы хотим на вашем вебсайте, чего должны мы сделать?
: Вы можете отправить нам описания по электронной почте и изображения продуктов вам, мы проверят имеем ли мы их. Мы начинаем новые детали каждый месяц, и некоторые из их не были загружаны к вебсайту во времени. Или вы можете отправить нами образец срочным, мы начнете этот деталь для покупать большей части.
	Q4: Можем мы купить 1 ПК каждого деталя для качественного испытания?
: Да, мы радостны отправить 1pc для качественного испытания если мы имеем деталь, то вам в запасе.
	Почему выберите нас?
1. Позвольте нам бесед-мы не имеем НИКАКОЙ барьер в языке.
2. запрос для больше данных по деталя---почти 2000 продуктов для вашего варианта!
3. напишите нас для цитаты---ответьте вы в течение 24 часов, одна цитата смогл быть готова в 2mins для готовые продукты!