Подшипник ролика ХРОМОВОЙ СТАЛИ 22316CC 22316CCK 22316CCW 22316J2Q 22316W 22316J 22316CCA 22316W 222316ECA 22316ECK 22316L P0 P6 P5 P3 P4 P2 качественный РОВНЫЙ сферически
Введение продукции
22316 сферически CC подшипника ролика предназначены к весьма строгим применениям и должны поддержать высокие нагрузки, строгое рассогласование, загрязненные окружающие среды, удары, и вибрации.
(Каждый хочет покупать низкую цену, покупает изделия высокого качества, я правый человек)
Представление эти сферически достигано через пользу сырья очень высокого качества и оптимизированной свертывая геометрии элемента. Уникальный дизайн также водит к:
Уменьшенный вращающий момент трением (как много как 30% более менее), предлагая более низкая рабочая температура, с потреблением более низкой силы и смазки. Appreciably увеличил скорость обработки, позволяющ выдвинутому объему применений.


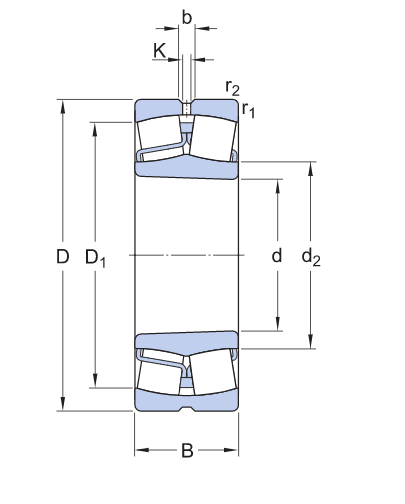
| d |
80 mm
|
Диаметр расточки |
|---|---|---|
| D |
170 mm
|
Внешний диаметр |
| B |
58 mm
|
Ширина |
| d2 |
≈98,3 mm
|
Диаметр плеча внутреннего кольца |
| D1 |
≈143 mm
|
Плечо/диаметр гнезда наружного кольца |
| b |
8,3 mm
|
Ширина паза смазки |
| K |
4,5 mm
|
Диаметр отверстия смазки |
| r1,2 |
min.2.1 mm
|
Скосите размер |
| Da |
max.158 mm
|
Диаметр расквартировывать устой |
|---|---|---|
| ra |
max.2 mm
|
Радиус филе |
| Основная оценка динамической нагрузки | C |
kN 516
|
|---|---|---|
| Основная оценка неподвижной нагрузки | C0 |
kN 540
|
| Предел нагрузки усталости | Pu |
kN 54
|
| Скорость ссылки |
3 000 r/min
|
|
| Ограничиваясь скорость |
4 000 r/min
|
|
| Ограничивающая величина | e |
0,35
|
| Фактор вычисления | Y1 |
1,9
|
| Фактор вычисления | Y2 |
2,9
|
| Фактор вычисления | Y0 |
1,8
|
Мы можем также обеспечить его для хорошего применения






вопросы и ответы
Q1: Я хочу покупать ваши продукты, как могу я оплатить?
: Вы можете оплатить через T/T, L/C, ЗАПАДНОЕ СОЕДИНЕНИЕ, ESCROW, PAYPAL, ETC. Особенно ESCROW, который гарантирован Alibaba.com. Он безопасен и эффективен.
Q2: Как можете вы гарантировать качество?
: Если вы сталкиваетесь с качественный, то мы обещаем заменить товары или возвратить ваши фонды.
Q3: Если мы не находим, то чего мы хотим на вашем вебсайте, чего должны мы сделать?
: Вы можете отправить нам описания по электронной почте и изображения продуктов вам, мы проверят имеем ли мы их. Мы начинаем новые детали каждый месяц, и некоторые из их не были загружаны к вебсайту во времени. Или вы можете отправить нами образец срочным, мы начнете этот деталь для покупать большей части.
Q4: Можем мы купить 1 ПК каждого деталя для качественного испытания?
: Да, мы радостны отправить 1pc для качественного испытания если мы имеем деталь, то вам в запасе.
Почему выберите нас?
1. Позвольте нам бесед-мы не имеем НИКАКОЙ барьер в языке
2. запрос для больше данных по деталя---почти 2000 продуктов для вашего варианта!
3. напишите нас для цитаты---ответьте вы в течение 24 часов, одна цитата смогл быть готова в 2mins для готовые продукты!