шарикоподшипник тяги ХРОМОВОЙ СТАЛИ 100*170*42mm 29320E 29320EN1 29320W
Введение продукции (купите хороший носить выучить выбрать, десятки тысячей людей выбрал ZH)
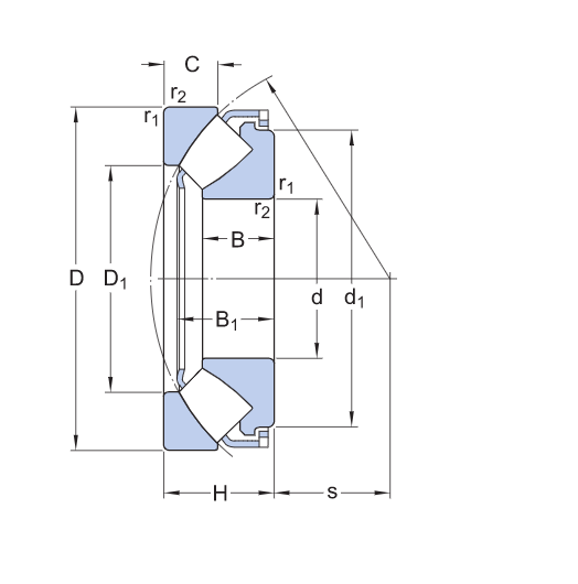
шарикоподшипники 29320EThrust конструированы для того чтобы выдержать толкнутые нагрузки на высоких скоростях и составлены прокладок между фланцами с пазами raceway завальцовки шарика. Потому что кольцо форма пусковой площадки места, толкнутый шарикоподшипник разделен в 2 типа: плоский низкопробный тип пусковой площадки и выравнивая сферически тип места. К тому же, этот подшипник может выдержать аксиальные нагрузки, но не радиальные нагрузки.


| d |
100 mm
|
Диаметр расточки |
|---|---|---|
| D |
170 mm
|
Внешний диаметр |
| H |
42 mm
|
Высота |
| d1 |
≈152 mm
|
Вне диаметра стороны конца шайбы вала бортовой |
| D1 |
≈128 mm
|
Кольцо диаметра плеча наружное |
| B |
26,2 mm
|
Шайба вала ширины или длина диаметра расточки шайбы вала который приспосабливает на вал (подшипники с проштемпелеванной стальной клеткой) |
| B1 |
36,3 mm
|
Шайба + клетка вала высоты |
| C |
20,5 mm
|
Высота расквартировывая шайбу |
| s |
58 mm
|
Расстояние от стороны конца шайбы вала бортовой для того чтобы надавить пункт |
| r1,2 |
min.1.5 mm
|
Скосите шайбу вала размера |
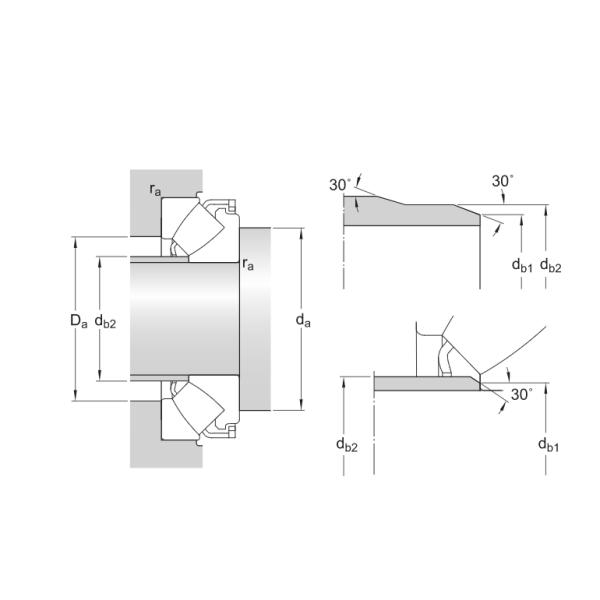
| da |
min.130 mm
|
Диаметр устоя вала |
|---|---|---|
| db1 |
max.107 mm
|
Диаметр устоя кольца прокладки |
| db2 |
max.107 mm
|
Вне диаметра кольца прокладки |
| Da |
max.147 mm
|
Диаметр расквартировывать устой |
| ra |
max.1.5 mm
|
Радиус филе |
| Основная оценка динамической нагрузки | C |
kN 465
|
|---|---|---|
| Основная оценка неподвижной нагрузки | C0 |
1 kN 290
|
| Предел нагрузки усталости | Pu |
kN 156
|
| Скорость ссылки |
2 200 r/min
|
|
| Ограничиваясь скорость |
3 600 r/min
|
|
| Минимальный фактор аксиальной нагрузки |
0,16
|
собрание 29320E
| KMF125-PC200-8 | NUP206E | NUP309=180 | NUP2212=220 | 6305 | NUP308 | NUP308=140 | 30314D=250 |
| KMF160-PC360-7 | 15578 | NUP309 | NUP206=100 | NUP2211=250 | 30309D=110 | T7FC055=300 | NUP309 |
| MSG-27P | NUP306 | NUP206 | NUP2206=130 | NUP207 | NUP207/NUP306 | NUP309 | T7FC055 |
| AP5S53 | NUP307 | 6305M | NUP309=180 | NUP307 | 30309D | 30312D | T7FC055 |
| M5X130 | NUP205E | 4T-30307 | NUP309=180 | NUP307 | M2X55 | 30314D | NUP310 |
| M5X180 | NUP207=120 | NUP306 | NUP310 | NUP2208 | M2X63 | 30312D | NUP207 |
| 32205 | NUP2209=160 | NUP307 | MAG120 | NUP2211 | NUP2208=210 | 6008 | 6213 |
| T7FC060 | NUP2207=140 | HMK3525+IR | MAG150 | NUP308 | NUP307=110 | NUP307 | NUP308 |
| M2X150 | 30312D | 30309D | KMF90-PC200-6 | NUP309 | JMF195 | 30311D | NUP309 |
| M2X170 | NUP2209 | 30210 | NUP2206 | NUP309 | NUP2212 | T7FC055 | JMF29 |
| M2X210 | NUP2209 | 30210 | NUP2207 | NUP2212 | NUP2211 | NIP2310 | JMF23 |
| HMGF57 | NUP2209 | 30311D | NUP2207 | 30312D=155 | 30312D=155 | NUP208E | JMF151 |
| SG08 | NUP2212 | SG04 | GM35VA | M2X96 | M2X120 | NUP308=140 | |
| GM17VA | M2X146 | SG025 | GM35VL | MCB172 | 32207 | T7FC065 | |
| JMV-44/22 | JMF250 | SG02 | GM38VB | HMT36FA | 30312 | NUP207 | |
| KMF125-PC200-7 | JMV-53/31 | SG15 | MAG150 | HMGC32 | 30312D | HMS072 | |
| NUP2310 | MAG85 | SG20 | TM09 | HMGF35 | 30312D | AP5S67 | |
| HMGC48 | DNB50/60 | KMF41-PC60-7 | GM18VL | HMGF36 | NUP308 | 11749/11710 |
Шоу изображения



Q1: Я хочу покупать ваши продукты, как могу я оплатить?
: Вы можете оплатить через T/T, L/C, ЗАПАДНОЕ СОЕДИНЕНИЕ, ESCROW, PAYPAL, ETC. Особенно ESCROW, который гарантирован Alibaba.com. Он безопасен и эффективен.
Q2: Как можете вы гарантировать качество?
: Если вы сталкиваетесь с качественный, то мы обещаем заменить товары или возвратить ваши фонды.
Q3: Если мы не находим, то чего мы хотим на вашем вебсайте, чего должны мы сделать?
: Вы можете отправить нам описания по электронной почте и изображения продуктов вам, мы проверят имеем ли мы их. Мы начинаем новые детали каждый месяц, и некоторые из их не были загружаны к вебсайту во времени. Или вы можете отправить нами образец срочным, мы начнете этот деталь для покупать большей части.
Q4: Можем мы купить 1 ПК каждого деталя для качественного испытания?
: Да, мы радостны отправить 1pc для качественного испытания если мы имеем деталь, то вам в запасе.
Почему выберите нас? 1. Позвольте нам бесед-мы не имеем НИКАКОЙ барьер в языке.
2. запрос для больше данных по деталя---почти 2000 продуктов для вашего варианта!
3. напишите нас для цитаты---ответьте вы в течение 24 часов, одна цитата смогл быть готова в 2mins для готового продукта.