Прямоугольный крен сточной канавы формируя машину в Южной Африке, с прикрепляет отладку
Быстрая деталь:
Толщина: 0.25-0.4mm
Материал: Полностью трудные оцинкованные жести G550
Ширина входного сигнала: 375mm
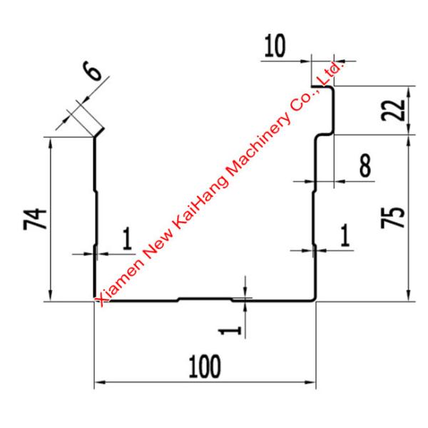
Эффективная ширина: 100mm
Материальный вес: 1,5 или 3MT
Диаметр катушки внутренний: 510 mm
Управляемый путь: управляемым мотором
Резать путь: отсутствие ненужного отрезка
Резать допуск: ±1mm
Применение:
Крен сточной канавы формируя работу машины с отладкой проблескивать и downpipe и крышкой и поддержкой конца как системы крыши воды
Список машины:
ООН-койлер 3T*600mm гидравлический или ручной ООН-койлер
Крен бывший
Гидравлический режа прибор
Побегите вне таблица
Экран касания PLC и IOP/Сименс, инвертор бренда Schneider
Описание/технические детали параметра полной строки:
ООН-койлер 3TX600mm гидравлический
Гидравлическая система для катушк-внутренн-отверстия расширения с 4 ладонями
Связ-соедините расширяя систему
Насос power=1.5KW
Инвертор частоты для того чтобы отрегулировать поворачивая скорость: Мотор: 2.2KW
Тонна нагрузки capacity=3; Сверните спиралью внутреннее – диаметр =451-530 mm
Катушка outer-diameter=Max. 1500 mm
Койлер Width=Max. 600 mm
Управляя мотор для того чтобы повернуть катушку
Крен формируя машину с деталями вырезывания как внизу таблица:
Соответствующий крен формируя материал | Лист цвета стальной или гальванизированный стальной лист |
Толщина | 0.4mm-0.6mm |
Ширина входного сигнала катушки | 375mm |
Дизайн рамки экипажа | Стен-плит-рамк-дизайн |
Прокатные станы формируя этапы | 14 этапа |
Материал формировать ролик | 45# стальное, токарные станки CNC, трудный Chrome покрыло |
Диаметр валов | Φ75mm |
Сила главного мотора | 5.5Kw с редуктором |
Свертывая скорость крена бывшая | 15-20m/min |
Гидравлическая сила группы | 3,0 Kw |
Материал лезвия вырезывания | Cr12, слышат обработку |
Стандарт электрического напряжения тока | 380V/50Hz/3PH или как требования к клиента |
Главный покрашенный цвет машины | RAL 5015 (синь) или согласно требованиям к клиента |
Система управления PLC
PLC бренда Сименс и экран касания, инвертор бренда перепада Schneider/Shihlin/, кодировщик Omron
Обрабатыванное изделие на определенную длину tolerance≤±1mm
Управляющее напряжение 24V
Шкаф использующий энергию ООН, свернутый тип продукта, 4 метра длиной
Изображения ссылки чертежа/плана/оборудования профиля:

