Выпускной вентиль клапана выгружателя воздушного шлюза отрицательного давления роторный
Внедрение продукции
Преимущества: легкий процесс установки и отделки точности, ровная поверхность, длинный срок службы, малошумный, свободный от закупоривать.
Применения: он будет использован как внизу шоу изображения, дозирующ, дозирующ, опорожнять силосохранилища, смешивая, фидер винта питаясь, machiniery и оборудование питаясь, сила тяжести транспортируя транспортировать, etc.
Характеристики: 1.Strong структура, удобное intallation. деятельность 2.Stable, малошумная. 3.Two устанавливает сползая подшипники и глубокие шарикоподшипники паза на лучшие уплотнения и более длинный срок пригодности.
Роторный выпускной вентиль главным образом использован в обычном давлении транспортируя систему для discharging и питаться. Его можно также использовать под пылевым фильтром, хоппером и силосохранилищем путем собирать различные запасные части. Широкие применения в цементе, минировании, химикате, еде, etc.
Толкование роторного клапана Cheegers модельное
| Толкование роторного клапана серии RV машинного оборудования Chegers модельное | |
| Модельный формат: Модель продукта Model.Classification--Том оборудования как RV-D.P-12L | |
| Примечание: Если параллельное отношение классификации, то оно должно быть аранжировано в заказе питаясь формы, давления, сопротивления носки, микро- питаться и очищая типа, и английского стопа «. Интервал например: чистка 12L касательного нормального давления износоустойчивая быстрая падени-через роторный клапан--RV-D.T.N.AR.SC - 12L | |
| Модель продукта | Английское толкование |
| RV-B | Роторное Клапан-дуновение до конца |
| RV-D | Роторное Клапан-падение до конца |
| Модель классификации | |
| T | Касательный |
| SC2 | Само-чистка 2 |
| SC1 | Само-чистка 1 |
| N | Нормальная разрядка |
| P | Положительное давление |
| V | Вакуум |
| QC | Быстр-чистка |
| M | Микро- |
| PI | ИМП ульс впрыскивает |
| AR | Ссадин-устойчивый |
| HP | Высокое давление |
| HT | Высокая температура |
| Примечание: Стандарт фланца, материальные требования, аксессуары, форма передачи, конфигурация силы и так далее объяснен в примечаниях продукта. | |


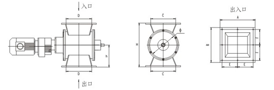
Дисплей размера роторного выпускного вентиля
| Тип | Выход входа | Размер | ||||||||
| C | D | H | h | B | E | F | Φ | Сила | ||
| TGFZ-5L | 150 | 150 | 400 | 200 | 250 | 250 | 105 | 105 | 250 | 1.1kw |
| TGFZ-7L | 200 | 200 | 440 | 220 | 300 | 300 | 130 | 130 | 250 | 1.1kw |
| TGFZ-9L | 250 | 250 | 440 | 220 | 350 | 350 | 155 | 155 | 250 | 1.1kw |
| TGFZ-12L | 300 | 300 | 440 | 220 | 400 | 400 | 180 | 180 | 250 | 1.5kw |
| TGFZ-20L | 300 | 300 | 460 | 230 | 400 | 400 | 180 | 180 | 300 | 1.5kw |
| TGFZ-30L | 350 | 350 | 520 | 260 | 450 | 450 | 204 | 204 | 350 | 2.2kw |
Международные выставки
Cheegers приниманнсяые за выставки домой и за рубежом в течение некоторого времени, как Таиланд, Турция, Иран, Пакистан, etc.
Мы поставляем роторные клапаны для много брендов в Китае, как Buhler, Sataka, Cofco, Керри Yihai, Muyang, etc.


Профиль Compamy
Чэнду Cheegers Машинное оборудование Ограниченн Компания совершен к исследовать и изготовлять роторный клапан, перекрывной клапан, запорную заслонку скольжения и разделитель магнита используемые в оптовых твердых телах транспортируя над полвека, аккумулирующ богатый опыт в дизайне и произведении. Продукты бренда «CHEEGERS» экспортированы до сверх 30 страны и областей, как Германия, Италия, Канада, Юго-Восточная Азия, etc. Cheegers держит расширить продающ сеть и настраивающ больше сервисных агентств. Со строгой проверкой качества и завершенным послепродажным обслуживанием, Cheegers приобретает последовательное утверждение от клиентов.

