Электрическое скольжение кольца передает 200A большой ток в 3 цепи и 1 цепи
LPA350-03200-01PE
Быстрая деталь
| Тип | скользящее кольцо большого диаметра |
| схемы | 3 |
| Номинальный ток | 200А на схему |
| Номинальное напряжение | 380VAC |
| Электрический шум | ≤ 8mΩ |
Описание
Большие сдвижные кольца представляют собой союз производственных процессов и технологий, которые позволяют нам предлагать большие сдвижные кольца с высоким объемом с передовыми функциями по конкурентоспособной цене.Производственные процессы позволяют строить скользящее кольцо на конвейере, что значительно сокращает время доставки и снижает цену.
Это скользящее кольцо относится к типу большого тока. Он имеет 3 цепи и передает 40А через каждый провод с прочной структурой.
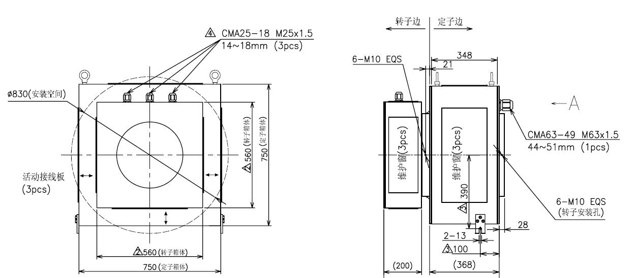
Очертание контуры

Экран продукции
