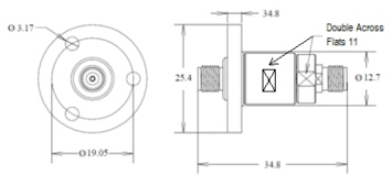
Одноканальное скользящее кольцо с женским разъемом SMA с рабочей частотой до 18 ГГц
Описание
RF Коаксиальный соединитель относится к устройству, которое установлено на кабеле или инструменте, как передачи или разрыва линии электрических соединений.Он относится к продукту Mechanical & Electrical Integration..
Он обеспечивает экономичное, легко доступное решение, когда требуется компактная конфигурация с проходкой.
LPHF-01B одноканальный вращающийся соединение предлагает несколько преимуществ по сравнению с обычными контактными кольцами скольжения, которыми являются: несколько точек контакта на пучок щетки, низкая сила контакта и низкое износообразность контакта.Он обеспечивает экономическую, легкодоступный раствор
Особенности
|
Спецификации радиочастот
|
|||
| Тип интерфейса | SMA Женщина SMA Женщина (50 Ом) | Стиль | Я печатаю |
| Диапазон частот | DC до 18 ГГц |
Фаза WOW (макс. градус) |
1.5 ° |
| VSWR, Макс. |
1.3 @ 0-12 ГГц 1.4 @ 12-18 ГГц |
Потеря вставки, максимум |
00,4 дБ @ 0-12 ГГц 0.6 дБ @ 12-18 ГГц |
| VSWR WOW |
0.4 @ 0-12 ГГц 0.6 @ 12-18 ГГц |
Потеря вставки, максимум |
00,05 дБ @ 0-12 ГГц 0.1 дБ @ 12-18 ГГц |
| Максимальная мощность, Макс. |
3 KW @ уровень моря 100 Вт @ 15000 м |
Средняя мощность, максимум |
200 Вт @ 1 ГГц 50 Вт @ 18 ГГц |
| Скорость вращения, Макс | 100 оборотов в минуту | Продолжительность жизни, мин | 5 миллионов революций |
| Начальный момент | Максимально 50 Ncm | Непрерывный вращающий момент | Максимально 40 Нсм |
| Аксиальная нагрузка на интерфейс, максимум | ±2 N | Радиальная нагрузка на интерфейс, максимум | ± 2 Н |
| Материал орехов | Медь | Материал контактной булавки | Медь бериллий |
| Окончание поверхности ореха | Зина-цинк-медь-сплав | Окончание поверхности контакта | Покрыто золотом |
| Материал корпуса | Нержавеющая сталь | Окончание поверхности тела | Пассивированные |
| Вес | 28.2 г | Маркировка | Клейкая маркировка |
| Материал изолятора | ПТФЕ / | Уровень защиты ИС | IP 40 согласно EN 60529 |
|
Температура (Окружающий диапазон) |
-40 до 70°C (Операция) |
Влажность (неконденсирующийся), максимум |
85% (операция) |
|
-50 до 70°C (Хранилище) |
95% (хранение) | ||
Очертание контуры
