6 схем Super Mini Capsule Slip Ring 240VAC Volatge с низким уровнем электрического шума
Описание
Данное устройство может использоваться в любой электромеханической системе, которая требует беспрерывного непрерывного вращения при передаче мощности или данных из стационарной в вращающуюся конструкцию.
Компактные скользкие кольца могут иметь много каналов в очень компактном размере.кабельные катушки, медицинское оборудование и упаковочные машины LPMS-06A, подходящие для всех видов плохой рабочей среды;высококачественное позолоченное кольцо для обеспечения надежности питания и передачи сигнала.
Он также называется вращающимся электрическим интерфейсом, сборками с подвижными кольцами, вращающимся соединителем, подвижными кольцами.устранить возможные повреждения во время вращенияОн является ключевым устройством различных точных вращающихся рабочих столов, электрических испытательных приборов, приборов для производства и контроля процессов.
| Спецификации | |
| Скорость работы | 0-300 оборотов в минуту |
| Количество схем | 6 |
| Напряжение | 48 VAC/DC |
| Нынешний рейтинг | 00,5 ампера на схему |
| Температурный диапазон | -20°C до +60°C |
| Контактный материал | Золото в золото |
| Размер свинца | 30# серебристая медь |
| Продолжительность | Стандартные 250 мм (9,843 дюйма) |
| Диэлектрическая прочность | ≥ 500 VAC @ 50 Hz, между каждой схемой |
| Сопротивление изоляции | 1000 MΩ @ 500 VDC |
| Электрический шум | 1mΩ Min |
| Жилой материал | Инженерные пластмассы или металлы |
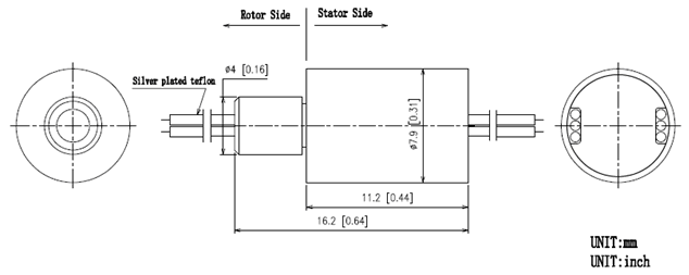
| Длина капсулы = L | ||
| # из цепей | L (мм) | Часть No |
| 6 | 11.2 | LPMS-06A |
Очертание контуры

Экран продукции

Изображение заявки
