24 схемы миниатюрные капсулы Слип-кольцо передает электричество с низким крутящим моментом дизайн
Описание
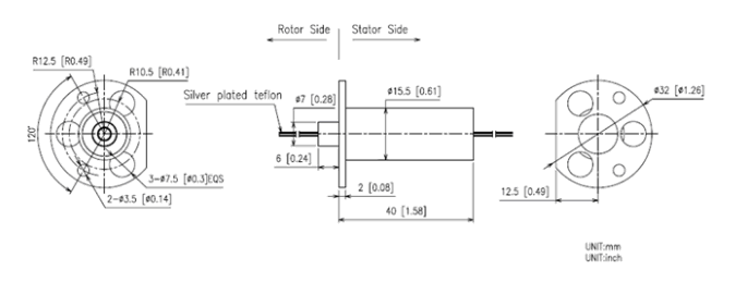
LPM-24BСлип-кольца изготавливаются из высококачественных металлических сплавов, используя новейшие технологии с помощью наших опытных сотрудников.Предлагаемые скользкие кольца смонтированы в различных механических компонентов для увеличения скорости передачи энергии.Компактные капсульные кольца с низким крутящим моментом, с золотыми контактами на золоте, что приводит к низкому электрическому шуму.для передачи аналоговых и цифровых сигналов.
У этой серии скользкие кольца имеютНезависимый патент на изобретение, серия скользящих колец экономически эффективной, высокой пропускной способностиУстойчивая работа.
| Спецификации | |
| Скорость работы | 0-300 оборотов в минуту |
| Количество схем | 24 |
| Напряжение | 240 VAC/DC |
| Нынешний рейтинг | 1 ампер на схему |
| Температурный диапазон | -20°C до +60°C |
| Контактный материал | Золото в золото |
| Размер свинца | 30# серебристая медь |
| Продолжительность | Стандартные 250 мм (9,843 дюйма) |
| Диэлектрическая прочность | ≥ 500 VAC @ 50 Hz, между каждой схемой |
| Сопротивление изоляции | 1000 MΩ @ 500 VDC |
| Электрический шум | 1 мΩмин |
| Длина капсулы = L | ||
| # из цепей | L (мм) | Часть No |
| 24 | 39.7 | LPM-24A |

Экспозиция продукции

Снимок приложения ((HD камера)
