60 мм полые валы скользкое кольцо с драгоценными металлами и алюминиевым сплавом корпуса
Описание
Слиповое кольцо может использоваться в любой электромеханической системе, которая требует неограниченного непрерывного вращения при передаче мощности или данных из стационарной в вращающуюся структуру.Слиповое кольцо также называется вращающимся электрическим интерфейсом, коллектор, вращающийся или коммутация.
LPT060 использует нашу технологию волоконной щетки, которая предлагает несколько преимуществ по сравнению с обычными контактными кольцами, включая несколько точек контакта по пучке щетки,низкая контактная сила на волокно и низкий уровень износа при контакте.
Кроме того, волоконные кисти не требуют смазки и практически не производят отходов износ.
| Спецификация | |
| Схемы | 1-24 схемы |
| Скорость работы | 0-500 оборотов в минуту |
| Рабочая температура | -20°C ~ +60°C |
| Рабочая влажность | 60% RH или выше |
| Электрические: | |
| Направление напряжения | 380 VAC/DC или выше |
| Нынешний рейтинг | 2A/5A/10A/15A на схему |
| Диэлектрическая прочность | ≥1000V@50Hz между каждой схемой |
| Сопротивление изоляции | 1000MΩ @ 500VDC |
| Электрический шум | 1mΩ Min |
| Механические: | |
| Контактный материал | Драгоценный металл |
| Длина свинцового провода | Стандартный 300 мм (11,811 дюйма) |
| Жилой материал | Сплав алюминия |
| Крутящий момент | ≤ 9,25 g·m (для справки) |
| Защита | IP54 или выше |
| L---Длина проходящего через отверстие скользящего кольца ((мм) | |||||
| Номер части | Ток/схема | 6 схем | 12 схем | 18 схем | 24 схемы |
| LPT060 ((Внутренний диаметр 60 мм) | 5А | 52.5 | 70.5 | 88.5 | 106.5 |
| 10А | 56.7 | 78.9 | 101.1 | 123.3 | |
| 15А | 61.5 | 88.5 | 115.5 | 142.5 | |
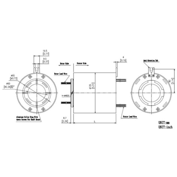
Размер

Изображение приложения
