25.4мм Проницаемое электрическое кольцо с защитой IP54 для военного оборудования
Описание
Этот блок может использоваться в любой электромеханической системе, которая требует неограниченного, периодического или непрерывного вращения при передаче мощности или данных.
Слип-кольцо сигнального модуля серии LPT025 обеспечивает экономичное, легкодоступное решение, когда требуется компактная конфигурация с проходкой.Принятие конструкции сигнального модуля может уменьшить длину скользящего кольца и сэкономить место для установки.
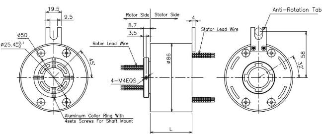
Этот блок обеспечивает 25,4 мм проход для прокладки гидравлических или пневматических линий и компактный 86 мм наружный диаметр для минимального пространства.Технология контакта волоконной щетки для максимальной производительности во многих сложных приложенияхФибровые щетки не требуют смазки и практически не производят отходов износа, для безобслуживания, пожизненной эксплуатации.
| Спецификация | |
| Схемы | 1-24 схемы |
| Скорость работы | 0-100 оборотов в минуту |
| Рабочая температура | -20°C ~ +60°C |
| Рабочая влажность | 60% RH |
| Электрические: | |
| Направление напряжения | 380VAC/DC |
| Нынешний рейтинг | Для различных сигналов |
| Диэлектрическая прочность | ≥1000V@50Hz между каждой схемой |
| Сопротивление изоляции | 50MΩ@ 100VDC |
| Электрический шум | ≤ 70 мΩ (50 оборотов в минуту) |
| Механические: | |
| Контактный материал | Драгоценный металл |
| Размер свинцового провода | AWG 28 |
| Длина свинцового провода | Стандартный 300 мм (11.811 дюймов) |
| Жилой материал | Сплав алюминия |
| Крутящий момент | ≤ 9,25 g·m (для справки) |
| Защита | IP54 |
Размер

Экран продукции

Изображение приложения
